D681气动卫生级蝶阀
产品概况
产品型号:D681
公称通径:DN20~108mm
公称压力:PN0.6~1.6MPa
适用温度:-20~80℃
阀体材质:不锈钢(P4、P6)
设计依据:GB标准
设计标准:GB/12238-1989
实验和检验:JB/T9092
D681气动卫生级蝶阀特点
防爆、开关、定位器
可拆连接,工作稳定、结构简单、维修方便
启闭力矩小、响应迅速、品质优良、寿命长
内壁抛光、表面光亮、轻巧美观、清洁卫生、无死角易清洗
| D681气动卫生级蝶阀技术参数 | |
| 公称通径 | DN20~108mm |
| 连接方式 | 外螺纹、三片式焊接、卡箍、对焊 |
| 气缸选配 | AT系列、GT系列、进口执行器系列 |
| 气缸形式 | 双作用、单作用(弹簧复位) |
| 控制方式 | 二位切断(开关型)、调节型、三段式(开度可选) |
| 公称压力 | 6、10、16bar(如需更高压力订货时请注明) |
| 气源压力 | 双作用:4~8bar、单作用:5~8bar |
| 介质温度 | W5:-20~80℃ W6:-20~150℃ W9:-30~120℃ |
| 环境温度 | 标准型:-20~80℃ |
| 阀体材质 | 不锈钢(P4、P6) |
| 密封材质 | 丁晴橡胶(X)、氟橡胶(FKM)、三元乙丙橡胶(E) |
备注:其他特殊密封材质或特殊温度亦可根据客户要求设计选型。
|
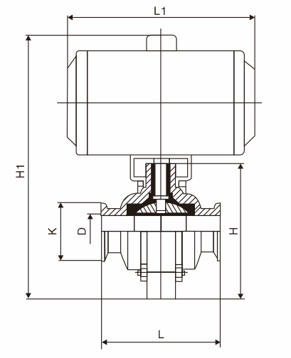
D681气动卫生级蝶阀主要外形尺寸-PN6~16(6~16bar)
|
|||||||||||||||
| 公称通径[DN] | 外螺纹连接尺寸 | 三片式连接尺寸 | 卡箍连接尺寸 | 对焊连接尺寸 | Lo | H | 执行器型号 | ||||||||
| L1 | D | M | L2 | D | d | L3 | D | d | L4 | D | d | ||||
| 20 |
|
|
|
100 | 78 | 19.05 | 66 | 78 | 50.5 | 66 | 78 | 19.05 | 141/141 | 157/557 | ATD50/ATE50 |
| 25 | 66 | 78 | 40xl/6 | 100 | 78 | 25.4 | 66 | 78 | 50.5 | 66 | 78 | 25.4 | 141/141 | 157/557 | ATD50/ATE50 |
| 32 | 66 | 78 | 48xl/6 | 100 | 78 | 31.8 | 66 | 78 | 50.5 | 66 | 78 | 31.8 | 141/141 | 157/557 | ATD50/ATE50 |
| 38 | 70 | 86 | 60xl/6 | 100 | 86 | 38.1 | 70 | 86 | 50.58 | 70 | 86 | 38.1 | 141/141 | 157/557 | ATD50/ATE50 |
| 51 | 76 | 102 | 70xl/6 | 104 | 102 | 50.8 | 76 | 102 | 64 | 76 | 102 | 50.8 | 141/159 | 171/180 | ATD50/ATE63 |
| 63 | 80 | 115 | 85xl/6 | 112 | 115 | 63.5 | 80 | 115 | 77.5 | 80 | 115 | 63.5 | 141/159 | 169/169 | ATD63/ATE63 |
| 76 | 84 | 128 | 98xl/6 | 112 | 128 | 76.1 | 84 | 128 | 91 | 84 | 128 | 76.1 | 159/211 | 194/208 | ATD63/ATE75 |
| 89 |
|
|
|
120 | 139 | 88.9 | 90 | 139 | 106 | 90 | 139 | 88.9 | 159/248 | 200/224 | ATD63/ATE88 |
| 102 | 104 | 159 | 132xl/6 | 128 | 155 | 101.6 | 102 | 155 | 119 | 102 | 155 | 101.6 | 211/248 | 220/242 | ATD75/ATE88 |
| 108 |
|
|
|
128 | 159 | 108 | 108 | 159 | 119 | 108 | 159 | 108 | 211/269 | 223/245 | ATD75/ATE100 |
备注:根据不同的阀门扭矩,不同的气源压力以及不同的实际工况,选择相匹配的执行器其相关外形尺寸也随之变化。
温馨提示:
本文中所有文字、数据、图片均只适用于参考。需要查看更多的D681气动卫生级蝶阀性能参数、结构尺寸参数、价格等详情,或要求高质量印刷样本,请联系我们。