D643H/F气动法兰偏心软密封蝶阀
产品概况
产品型号:D643H/F
公称通径:DN50-DN2000
公称压力:0.6~1.6MPa
阀体材质:WCB、QT450-10、HT200、HT250
适用温度:丁腈橡胶:-40℃~90℃氟橡胶:-20℃~200℃
适用介质:水、空气、天然气、油品及弱腐蚀性流体
制造标准:GB/T122387-89
法兰标准:GB9113-2000、GB17241.6-1998
结构长度标准:GB12221-89
检验标准:GB/T13927-92
百钢阀门集团生产销售的D643H/F气动法兰式偏心软密封蝶阀由角行程气动活塞式执行器及蝶阀阀体组成,采用三维偏心原理设计,使密封面的空间运动轨迹达到理想化,密封面相互之间无磨擦、无干涉、加之密封材料选择得当,从而使蝶阀的密封性、耐腐蚀性、耐高温性和耐磨性等得到了可靠的保证。
D643H/F气动法兰偏心软密封蝶阀产品特点
1、操作力矩小,是所有阀类中操作力矩最小的一种,启闭迅速,以压缩空气为动力,通过活塞齿条,齿轮的机械传动阀杆,以角行程输出的扭矩转动阀板0~90°,就能快速的完成启闭动作,结构简单、体积小、重量轻、流阻小、流量系数大,密封性能好。调节范围大。是自动化控制系统中仪表的执行单元。
2、采用电-气阀门定位器,以电信号和压缩空气为动力,接受控制系统输入的0-10mADC或4-20mADC电流信号,由调节器将压缩空气,转换成气源压力信号输入输出,改变阀板的旋转角度(0-90°任意角度),具有较好的调节控制流量等参数。
3、采用电磁换向阀、阀位回讯器,以AC220V或DC24V电源电压和压缩空气作动力,实现对流体介质的快速二位切断控制。
4、执行机构采用活塞式气缸及曲臂转换结构,输出力矩大,体积精小,采用全密封防水设计防护等级高。气缸体采用镜面气缸,无油润滑,磨擦系数小、耐腐蚀、具有较强的耐用性及可靠性。所有传动轴承均采用边界自润滑轴承无油润滑,确保传动轴不摩损。
D643H/F气动法兰偏心软密封蝶阀主要结构参数
|
公称通经DN(mm) |
50~2000 |
50~1600 |
|
|
公称压力PN(MPa) |
0.6 |
1.0 |
1.6 |
|
密封试验(MPa) |
0.66 |
1.1 |
1.76 |
|
强度试验(MPa) |
0.9 |
1.5 |
2.4 |
|
适用温度 |
丁腈橡胶:-40℃~90℃氟橡胶:-20℃~200℃ |
||
|
适用介质 |
水、空气、天然气、油品及弱腐蚀性流体 |
||
|
泄漏率 |
符合GB/T13927-92标准 |
||
|
驱动方式 |
蜗轮传动、电动、气动、液动 |
||
D643H/F气动法兰偏心软密封蝶阀主要零部件材料
|
零件名称 |
材料 |
|
阀体 |
WCB、QT450-10、HT200、HT250 |
|
蝶板 |
WCB、QT450-10、HT200、HT250 |
|
阀轴 |
2Cr13 |
|
密封圈 |
丁腈耐油橡胶 |
|
填料 |
柔性石墨 |
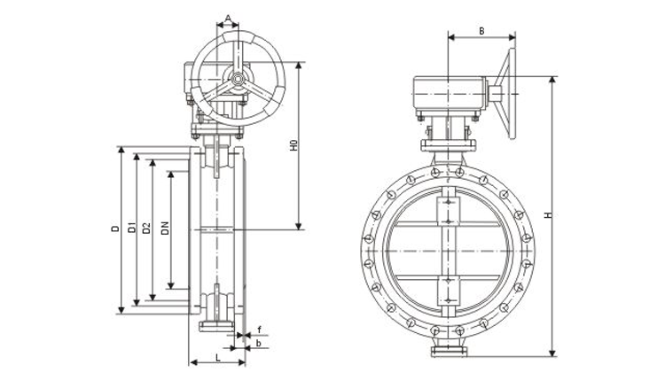
D643H/F气动法兰偏心软密封蝶阀主要外形尺寸

|
主要外形连接尺寸 |
法兰尺寸和螺栓孔尺寸 |
|
|||||||||||||||
|
DN |
L |
H |
A |
B |
0.6MPa |
1.0MPa |
1.6MPa |
|
|||||||||
|
D |
D1 |
D2 |
n-d |
D |
D1 |
D2 |
n-d |
D |
D1 |
D2 |
n-d |
|
|||||
|
50 |
108 |
82.5 |
306 |
80 |
80 |
140 |
110 |
88 |
4-14 |
185 |
125 |
99 |
4-18 |
165 |
125 |
99 |
4-18 |
|
65 |
112 |
92.5 |
321 |
80 |
80 |
160 |
130 |
108 |
4-14 |
185 |
145 |
118 |
4-18 |
185 |
145 |
118 |
4-18 |
|
80 |
114 |
100 |
346 |
80 |
80 |
190 |
150 |
124 |
4-18 |
200 |
160 |
132 |
8-18 |
200 |
160 |
132 |
8-18 |
|
100 |
127 |
110 |
387 |
95 |
95 |
210 |
170 |
144 |
4-18 |
220 |
180 |
156 |
8-18 |
220 |
180 |
156 |
8-18 |
|
125 |
140 |
125 |
411 |
95 |
95 |
240 |
20 |
174 |
8-18 |
250 |
210 |
184 |
8-18 |
250 |
210 |
184 |
8-18 |
|
150 |
140 |
142.5 |
447 |
95 |
95 |
265 |
225 |
199 |
8-18 |
285 |
240 |
211 |
8-22 |
285 |
240 |
211 |
8-22 |
|
200 |
152 |
170 |
607 |
190 |
308 |
320 |
280 |
254 |
8-18 |
340 |
295 |
266 |
8-22 |
340 |
295 |
266 |
12-22 |
|
250 |
165 |
192.5 |
688 |
190 |
308 |
375 |
335 |
309 |
12-18 |
395 |
350 |
319 |
12-22 |
405 |
355 |
319 |
12-26 |
|
300 |
178 |
222.5 |
742 |
190 |
308 |
440 |
395 |
363 |
12-22 |
445 |
400 |
370 |
12-22 |
460 |
410 |
370 |
12-26 |
|
350 |
190 |
252.5 |
797 |
190 |
308 |
490 |
445 |
413 |
12-22 |
505 |
460 |
429 |
16-22 |
520 |
470 |
429 |
16-26 |
|
400 |
216 |
282.5 |
930 |
270 |
466 |
540 |
495 |
463 |
16-22 |
565 |
515 |
480 |
16-26 |
580 |
525 |
480 |
16-30 |
|
450 |
222 |
307.5 |
975 |
270 |
466 |
595 |
550 |
518 |
16-22 |
615 |
565 |
530 |
20-26 |
640 |
585 |
548 |
20-30 |
|
500 |
229 |
335 |
1065 |
270 |
466 |
645 |
600 |
568 |
20-22 |
670 |
620 |
582 |
20-26 |
715 |
650 |
609 |
20-33 |
|
600 |
267 |
390 |
1225 |
457 |
625 |
755 |
705 |
667 |
20-26 |
780 |
725 |
682 |
20-30 |
840 |
770 |
720 |
20-36 |
|
700 |
292 |
447.5 |
1343 |
457 |
625 |
860 |
810 |
772 |
24-26 |
895 |
840 |
794 |
24-30 |
910 |
840 |
794 |
24-36 |
|
800 |
318 |
507.5 |
1436 |
457 |
625 |
975 |
920 |
878 |
24-30 |
1015 |
950 |
901 |
24-33 |
1025 |
950 |
901 |
24-39 |
|
900 |
330 |
557.5 |
1616 |
598 |
853 |
1075 |
1020 |
978 |
24-30 |
1115 |
1050 |
1001 |
28-33 |
1125 |
1050 |
1001 |
28-39 |
|
1000 |
410 |
615 |
1711 |
598 |
853 |
1175 |
1120 |
1078 |
28-30 |
1230 |
1160 |
1112 |
28-36 |
1255 |
1170 |
1112 |
28-42 |
|
1200 |
470 |
727.5 |
1971 |
598 |
853 |
1405 |
1340 |
1295 |
32-33 |
1455 |
1380 |
1328 |
32-39 |
1485 |
1390 |
1328 |
32-48 |
|
1400 |
530 |
837.5 |
2218 |
860 |
1345 |
1630 |
1560 |
1510 |
36-36 |
1675 |
1590 |
1530 |
36-42 |
1685 |
1590 |
1530 |
36-48 |
|
1600 |
600 |
957.5 |
2578 |
860 |
1345 |
1830 |
1760 |
1710 |
40-36 |
1915 |
1820 |
1750 |
40-48 |
1930 |
1820 |
1750 |
40-56 |
|
1800 |
670 |
1057.5 |
2689 |
860 |
1345 |
2045 |
1970 |
1918 |
44-39 |
2115 |
2020 |
1950 |
44-48 |
2130 |
2020 |
1950 |
44-56 |
|
2000 |
760 |
1162.5 |
3022 |
952 |
1592 |
2265 |
2180 |
2125 |
48-42 |
2325 |
2230 |
2150 |
48-48 |
2345 |
2230 |
2150 |
48-62 |
温馨提示:
本文中所有文字、数据、图片均只适用于参考。需要查看更多的D643H/F气动法兰偏心软密封蝶阀性能参数、结构尺寸参数、价格等详情,或要求高质量印刷样本,请联系我们。