D943H电动法兰式硬密封蝶阀
产品概况
产品型号:D943H
公称通径:DN50~2000mm
公称压力:PN0.6~2.5MPa
阀体材质:WCB、304、316
驱动方式:电动,气动、手动
设计标准:GB/T12238-1989
法兰连接尺寸:GB/T9113.1-2000;GB/T9113.2-2000 GB/T9115.1-2000;GB/T9115.2-2000
结构长度:GB/T12221-1989
压力试验:GB/T13927-1992;JB/T9092-1999
一、D943H电动法兰式硬密封蝶阀结构及性能简介
百钢阀门集团生产销售的D943H电动法兰式硬密封蝶阀本产品由阀体、蝶板、密封圈、传动机构等主要部件组成。其结构采用三维偏心原理设计,弹性密封和硬软多层密封兼容的加工新工艺,使蝶阀在运行工作时,减少其扭矩力,达到省力,节能之功能。从而确保整体的抗腐蚀.耐高温,抗靡损的可靠性。
二、D943H电动法兰式硬密封蝶阀主要性能特点
1、结构、型小轻便、操作灵活、省力、方便;
2、密封可靠,可达到气密封无泄漏;
3、流量特性趋于直线调节性较佳;
4、采用三偏心原理,使密封面近似零靡损延长了阀门的使用寿命;
5、应用范围广。如:可用于水、蒸气、油品、空气、煤气等介质。
6、适用不同温度及6.4MPa以下的压力等级,耐腐蚀等各种介质管线。
三、D943H电动法兰式硬密封蝶阀用途
本蝶阀适用于食品、医药、石油化工、电厂、钢厂、工业环保水处理及高层建筑、供排水管道上作调节流量和截断流体理想装置。
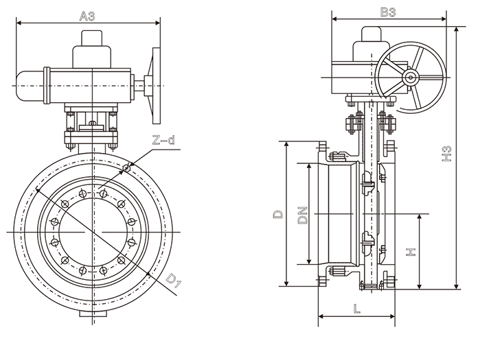
四、D943H电动法兰式硬密封蝶阀主要连接及外形尺寸 PN0.6,1.0MPa

| 公称通径DN | 结构长度L | 外形尺寸(参考值) | 连接(标准值) |
参考 重量 |
||||||||||
| H | Dd943H | PN0.6MPa | PN1.0MPa | |||||||||||
| mm | inch | 短 | 长 | H3 | A3 | B3 | D | D1 | z- d | D | D1 | z- d | ||
| 50 | 2 | 108 | 150 | 112 | 530 | 250 | 255 | 140 | 110 | 4-14 | 165 | 125 | 4-18 | 17 |
| 65 | 5/2 | 112 | 170 | 115 | 530 | 250 | 255 | 160 | 130 | 4-14 | 185 | 145 | 4-18 | 20 |
| 80 | 3 | 114 | 180 | 120 | 565 | 250 | 255 | 190 | 150 | 4-18 | 200 | 160 | 8-18 | 23 |
| 100 | 4 | 127 | 190 | 138 | 600 | 250 | 255 | 210 | 170 | 4-18 | 220 | 180 | 8-18 | 25 |
| 125 | 5 | 140 | 200 | 164 | 640 | 250 | 255 | 240 | 200 | 8-18 | 250 | 210 | 8-18 | 40 |
| 150 | 6 | 140 | 210 | 175 | 705 | 300 | 315 | 165 | 225 | 8-18 | 285 | 240 | 8-22 | 47 |
| 200 | 8 | 152 | 230 | 200 | 775 | 300 | 315 | 320 | 280 | 8-18 | 340 | 295 | 8-22 | 60 |
| 250 | 10 | 165 | 250 | 243 | 945 | 300 | 315 | 375 | 335 | 12-18 | 395 | 350 | 12-22 | 95 |
| 300 | 12 | 178 | 270 | 250 | 1070 | 300 | 315 | 440 | 395 | 12-22 | 445 | 400 | 12-22 | 124 |
| 350 | 14 | 190 | 290 | 280 | 1140 | 300 | 315 | 490 | 445 | 12-22 | 505 | 460 | 16-22 | 181 |
| 400 | 16 | 216 | 310 | 305 | 1210 | 300 | 315 | 540 | 495 | 16-22 | 565 | 515 | 16-26 | 260 |
| 450 | 18 | 222 | 330 | 350 | 1335 | 575 | 714 | 595 | 550 | 16-22 | 615 | 565 | 20-26 | 338 |
| 500 | 20 | 229 | 350 | 380 | 1415 | 575 | 714 | 645 | 600 | 20-22 | 670 | 620 | 20-26 | 360 |
| 600 | 24 | 267 | 390 | 445 | 1605 | 656 | 810 | 755 | 705 | 20-26 | 780 | 725 | 20-30 | 540 |
| 700 | 28 | 292 | 430 | 480 | 1844 | 656 | 810 | 860 | 810 | 24-26 | 895 | 840 | 24-30 | 580 |
| 800 | 32 | 318 | 470 | 530 | 2040 | 656 | 810 | 975 | 920 | 24-30 | 1015 | 950 | 24-33 | 845 |
| 900 | 36 | 330 | 510 | 580 | 2255 | 785 | 863 | 1075 | 1020 | 24-30 | 1115 | 1050 | 28-33 | 1050 |
| 1000 | 40 | 410 | 550 | 650 | 2380 | 785 | 863 | 1175 | 1120 | 28-30 | 1230 | 1160 | 28-36 | 1500 |
| 1200 | 48 | 470 | 630 | 760 | 2640 | 785 | 863. | 1405 | 1340 | 32-33 | 1455 | 1380 | 32-39 | 2000 |
| 1400 | 56 | 530 | 710 | 850 | 2886 | 8410 | 890 | 1630 | 1560 | 36-36 | 1675 | 1590 | 36-42 | 3000 |
| 1600 | 64 | 600 | 790 | 1030 | 3156 | 810 | 890 | 1830 | 1760 | 40-369 | 1915 | 1820 | 40-48 | 4700 |
| 1800 | 72 | 670 | 870 | 1230 | 3421 | 830 | 930 | 2045 | 1970 | 44-39 | 2115 | 2020 | 44-48 | 6500 |
| 2000 | 80 | 760 | 950 | 1350 | 3685 | 850 | 940 | 2265 | 2180 | 48-42 | 2325 | 2230 | 48-48 | 8700 |
D943H电动法兰式硬密封蝶阀主要连接及外形尺寸 PN1.6,2.5MPa
| 公称通径DN | 结构长度L | 外形尺寸(参考值) | 连接(标准值) |
参考 重量 |
||||||||||
| H | Dd943H | PN1.6MPa | PN2.5MPa | |||||||||||
| mm | inch | 短 | 长 | H3 | A3 | B3 | D | D1 | z- d | D | D1 | z- d | ||
| 50 | 2 | 108 | 150 | 112 | 530 | 250 | 255 | 165 | 125 | 4-18 | 165 | 125 | 4-18 | 19 |
| 65 | 5/2 | 112 | 170 | 115 | 530 | 250 | 255 | 185 | 145 | 4-18 | 185 | 145 | 8-18 | 22 |
| 80 | 3 | 114 | 180 | 120 | 565 | 250 | 255 | 200 | 160 | 8-18 | 200 | 160 | 8-18 | 25 |
| 100 | 4 | 127 | 190 | 138 | 600 | 250 | 255 | 220 | 180 | 8-18 | 235 | 190 | 8-22 | 28 |
| 125 | 5 | 140 | 200 | 164 | 640 | 250 | 255 | 250 | 210 | 8-18 | 270 | 220 | 8-26 | 43 |
| 150 | 6 | 140 | 210 | 175 | 705 | 300 | 315 | 285 | 240 | 8-22 | 300 | 250 | 8-26 | 50 |
| 200 | 8 | 152 | 230 | 200 | 775 | 300 | 315 | 340 | 295 | 12-22 | 360 | 310 | 12-26 | 64 |
| 250 | 10 | 165 | 250 | 243 | 945 | 300 | 315 | 405 | 355 | 12-26 | 425 | 370 | 12-30 | 99 |
| 300 | 12 | 178 | 270 | 250 | 1070 | 300 | 315 | 460 | 410 | 12-26 | 485 | 430 | 16-30 | 130 |
| 350 | 14 | 190 | 290 | 280 | 1140 | 300 | 315 | 520 | 470 | 16-26 | 555 | 490 | 16-33 | 188 |
| 400 | 16 | 216 | 310 | 305 | 1210 | 300 | 315 | 580 | 525 | 16-30 | 620 | 550 | 16-36 | 270 |
| 450 | 18 | 222 | 330 | 350 | 1335 | 575 | 714 | 640 | 585 | 20-30 | 670 | 600 | 20-36 | 350 |
| 500 | 20 | 229 | 350 | 380 | 1415 | 575 | 714 | 715 | 650 | 20-33 | 730 | 660 | 20-36 | 375 |
| 600 | 24 | 267 | 390 | 445 | 1605 | 656 | 810 | 840 | 770 | 20-36 | 845 | 770 | 20-39 | 560 |
| 700 | 28 | 292 | 430 | 480 | 1844 | 656 | 810 | 910 | 840 | 24-36 | 960 | 875 | 24-42 | 610 |
| 800 | 32 | 318 | 470 | 530 | 2040 | 656 | 810 | 1025 | 950 | 24-39 | 1085 | 990 | 24-48 | 880 |
| 900 | 36 | 330 | 510 | 580 | 2255 | 785 | 863 | 1125 | 1050 | 28-39 | 1185 | 1090 | 28-48 | 1100 |
| 1000 | 40 | 410 | 550 | 650 | 2380 | 785 | 863 | 1255 | 1170 | 28-42 | 1320 | 1210 | 28-56 | 1600 |
| 1200 | 48 | 470 | 630 | 760 | 2640 | 785 | 863. | 1485 | 1390 | 32-48 | 1530 | 1420 | 32-56 | 2150 |
| 1400 | 56 | 530 | 710 | 850 | 2886 | 810 | 890 | 1685 | 1590 | 36-48 | 1755 | 1640 | 36-60 | 3200 |
| 1600 | 64 | 600 | 790 | 1030 | 3156 | 810 | 890 | 1930 | 1820 | 40-55 | 1975 | 1860 | 40-60 | 5000 |
| 1800 | 72 | 670 | 870 | 1230 | 3421 | 830 | 930 | 2130 | 2020 | 44-55 | 2195 | 2070 | 44-68 | 6900 |
| 2000 | 80 | 760 | 950 | 1350 | 3685 | 940 | 2345 | 2230 | 48-60 | 2425 | 2300 | 48-68 | 9100 |
|
温馨提示:
本文中所有文字、数据、图片均只适用于参考。需要查看更多的D943H电动法兰式硬密封蝶阀性能参数、结构尺寸参数、价格等详情,或要求高质量印刷样本,请联系我们。