D641W-1C气动通风蝶阀
产品概况
产品型号:D641W-1C
公称通径:DN50~2000mm
公称压力:0.05~0.6MPa
适用温度:≦425℃
适用介质:煤气、含尘气体、烟道气等
阀体材质:铸钢、不锈钢、铬镍钼钛钢、铬钼钛钢等特殊材料
设计标准:GB/T12238-1989 JB/T8692-1998
法兰连接尺寸:GB/T9115.1-2000
结构长度:GB/T12221-1989
压力试验:GB/T13927-1992;JB/T9092-1999
一、D641W-1C气动通风蝶阀简介
百钢阀门集团生产销售的D641W-1C气动通风蝶阀采用与阀体相同材料加工成密封圈,采用电或气动传动。其适用温度随阀体选材而定,公称压力≤0.6MPa,一般适用于工业、冶金、环保等管道作通风调节介质流量之用。
二、D641W-1C气动通风蝶阀主要特点
1、设计新颖、合理,重量轻,启闭迅速。
2、操力矩小,操作方便,省力灵巧。
3、采用适应的材料以满足低、中、高不同介质温度其及腐蚀性介质等。
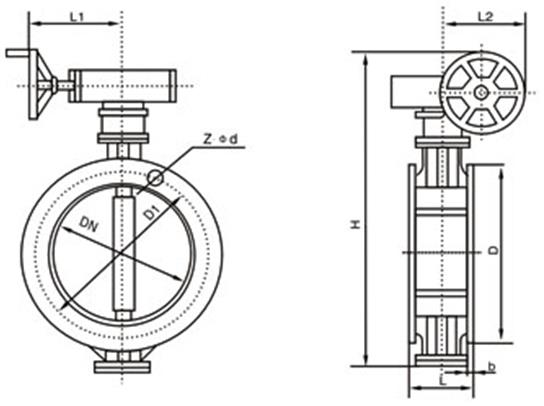
三、D641W-1C气动通风蝶阀外形尺寸 (PN0.5、2.5)

|
公称通径 毫米 |
结构长度 (标准值) |
外形尺寸 (参考值) |
连接尺寸(标准值) | 气动执行器型号 | |||||||
| 0.05MPa和0.25MPa | |||||||||||
| DN | 英寸 | L | H | H1 | D | D1 | D2 | Z-d | A | W | |
| 100 | 4 | 120 | 105 | -- | 210 | 170 | 144 | 4-18 | 140 | 70 | GTD63 |
| 125 | 5 | 120 | 120 | -- | 240 | 200 | 174 | 8-18 | 140 | 70 | GTD63 |
| 150 | 6 | 120 | 132 | -- | 265 | 225 | 199 | 8-18 | 186 | 91 | GTD83 |
| 200 | 8 | 140 | 160 | -- | 320 | 280 | 254 | 8-18 | 186 | 91 | GTD83 |
| 250 | 10 | 140 | 187 | -- | 375 | 335 | 309 | 12-18 | 186 | 91 | GTD83 |
| 300 | 12 | 170 | 220 | -- | 440 | 395 | 363 | 12-22 | 254 | 120 | GTD110 |
| 350 | 14 | 170 | 245 | -- | 490 | 445 | 413 | 12-22 | 254 | 120 | GTD110 |
| 400 | 16 | 190 | 270 | -- | 540 | 495 | 463 | 16-22 | 254 | 120 | GTD110 |
| 450 | 18 | 190 | 297 | -- | 595 | 550 | 518 | 16-22 | 296 | 137 | GTD127 |
| 500 | 20 | 190 | 322 | -- | 645 | 600 | 568 | 20-22 | 296 | 137 | GTD127 |
| 600 | 24 | 210 | 377 | -- | 755 | 705 | 667 | 20-26 | 296 | 137 | GTD127 |
| 700 | 28 | 210 | 430 | -- | 860 | 810 | 772 | 24-26 | 384 | 173 | GTD160 |
| 800 | 32 | 210 | 487 | -- | 975 | 920 | 878 | 24-30 | 384 | 173 | GTD160 |
| 900 | 36 | 250 | 537 | -- | 1075 | 1020 | 978 | 24-30 | 384 | 173 | GTD160 |
| 1000 | 40 | 250 | 587 | -- | 1175 | 1120 | 1078 | 28-30 | 501 | 208 | GTD190 |
| 1200 | 48 | 250 | 687 | -- | 1375 | 1320 | 1280 | 32-30 | 501 | 208 | GTD190 |
| 1400 | 56 | 300 | 700 | -- | 1575 | 1520 | 1480 | 36-30 | 501 | 208 | GTD190 |
| 1600 | 84 | 300 | 895 | -- | 1790 | 130 | 1690 | 40-30 | 501 | 208 | GTD190 |
| 1800 | 72 | 300 | 995 | -- | 1990 | 1930 | 1880 | 44-30 | 1090 | 230 | AW17 |
| 2000 | 80 | 300 |
|
|
|
|
|
|
|
|
|
温馨提示:
本文中所有文字、数据、图片均只适用于参考。需要查看更多的D641W-1C气动通风蝶阀性能参数、结构尺寸参数、价格等详情,或要求高质量印刷样本,请联系我们。