D941W电动通风蝶阀
产品概况
公称压力: PN0.05~0.6Mpa
公称通径: DN300~4000mm
驱动方式:气动、电动
适用介质:冷热风、烟气
设计标准:GB/T12238-1989 JB/T8692-1998
法兰连接尺寸:GB/T9115.1-2000
结构长度:GB/T12221-1989
压力试验:GB/T13927-1992;JB/T9092-1999
百钢阀门集团生产销售的D941W电动通风蝶阀主要用于冶金、化工、建材、电站、玻璃等行业中的通风、环保工程的含尘冷风或热风气体管道中,作为气体介质调节流量或切断装置。
D941W电动通风蝶阀产品特点:
1、采用中线式碟板与短结构钢板焊接的新型结构形式设计制造的,结构紧凑、重量轻、便于安装、流阻小、流通量大,避免高温膨胀的影响,操作轻便。
2、使用寿命长,可以多工位安装,不受介质流向影响。
D941W电动通风蝶阀用途及特点:
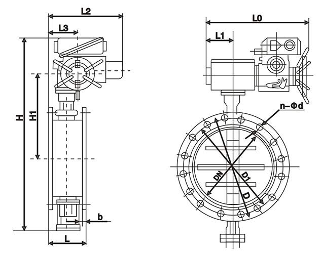
D941W电动通风蝶阀产品尺寸

|
DN |
D |
D1 |
L |
L1 |
L2 |
n-Фd |
b |
|
300 |
405 |
370 |
120 |
716 |
220 |
8-12 |
10 |
|
350 |
455 |
420 |
140 |
786 |
240 |
8-14 |
10 |
|
400 |
505 |
470 |
140 |
924 |
270 |
12-18 |
10 |
|
450 |
570 |
530 |
160 |
999 |
295 |
12-18 |
10 |
|
500 |
620 |
580 |
160 |
1079 |
325 |
12-18 |
10 |
|
600 |
720 |
680 |
180 |
1140 |
380 |
16-18 |
12 |
|
700 |
820 |
780 |
180 |
1240 |
430 |
16-18 |
12 |
|
800 |
920 |
880 |
200 |
1344 |
490 |
16-18 |
12 |
|
900 |
1040 |
990 |
200 |
1444 |
540 |
16-18 |
14 |
|
1000 |
1140 |
1090 |
220 |
1544 |
590 |
20-18 |
14 |
|
1100 |
1240 |
1190 |
220 |
1644 |
640 |
20-18 |
14 |
|
1200 |
1340 |
1290 |
240 |
1744 |
690 |
20-18 |
14 |
|
1300 |
1440 |
1390 |
240 |
1864 |
760 |
20-18 |
16 |
|
1400 |
1540 |
1490 |
260 |
2020 |
810 |
24-18 |
16 |
|
1500 |
1640 |
1590 |
260 |
2120 |
860 |
24-18 |
16 |
|
1600 |
1740 |
1690 |
280 |
2240 |
980 |
24-18 |
16 |
|
1700 |
1840 |
1790 |
280 |
2340 |
1030 |
28-22 |
16 |
|
1800 |
1940 |
1890 |
300 |
2440 |
1096 |
28-22 |
16 |
|
1900 |
2040 |
1990 |
300 |
2540 |
1146 |
32-22 |
16 |
|
2000 |
2150 |
2090 |
320 |
2640 |
1196 |
32-26 |
16 |
|
2200 |
2360 |
2300 |
340 |
3252 |
1296 |
36-26 |
16 |
|
2400 |
2560 |
2500 |
360 |
3452 |
1396 |
36-26 |
18 |
|
2600 |
2760 |
2700 |
380 |
3652 |
1496 |
40-26 |
18 |
|
2800 |
2960 |
2900 |
400 |
3852 |
1596 |
40-26 |
18 |
|
3000 |
3190 |
3110 |
400 |
3896 |
1698 |
44-30 |
18 |
|
3200 |
3390 |
3310 |
440 |
4110 |
1798 |
44-30 |
20 |
|
3400 |
3590 |
3510 |
440 |
4396 |
1898 |
48-30 |
20 |
|
3600 |
3790 |
3710 |
480 |
4636 |
1998 |
48-30 |
20 |
|
3800 |
4000 |
3910 |
480 |
4886 |
2098 |
52-30 |
22 |
|
4000 |
4210 |
4120 |
520 |
5160 |
2210 |
52-30 |
22 |
温馨提示:
本文中所有文字、数据、图片均只适用于参考。需要查看更多的D941W电动通风蝶阀性能参数、结构尺寸参数、价格等详情,或要求高质量印刷样本,请联系我们。