D643H气动三偏心硬密封蝶阀
产品概况
产品型号:D643H
公称通径:DN50~1200mm
公称压力:PN0.6~4.0MPa
适用温度:-40 ℃~425 ℃
适用介质:煤气、空气、蒸汽、水、海水、油品等
阀体材质:铸钢、不锈钢、合金钢等
驱动形式:手动、蜗轮传动、气动、液动、电动、电液联动等
设计标准:GB/T12238-2008
结构长度:GB/T12221-2005
连接标准:JB/T 79.1-1994
压力试验:GB/T13927-2008
D643H气动三偏心硬密封蝶阀产品说明
百钢阀门集团生产销售的D643H气动三偏心硬密封蝶阀该产品广泛用于石油、化工、电力、冶金、食品、医药、轻纺、造纸等行业,可安装在温度≤425℃,介质为煤气、空气、蒸汽、水、海水、油品等工业管网上作调节流量和切断介质用。
驱动形式有手动、蜗轮传动、气动、液动、电动、电液联动等执行机构,可实现远距离控制和自动化操作。金属硬密封蝶阀系列产品,系长寿命、节能型蝶阀。其结构采用三维编心原理设计,阀座采用硬软密封兼容的多层次结构,加工精湛,工艺先进。本产品由阀体、蝶板、多层次阀座、阀杆、传动机构等主要部件组成。因此被广泛地应用到冶金、电力、石油、化工、空气、煤气、可燃气体以及给排水等腐蚀性介质的管道上。
D643H气动三偏心硬密封蝶阀产品特点
由于本产品蝶阀采用的是三维偏心原理设计,使密封面的空间运动轨迹达到理想化,密封面相互之间无磨擦、无干涉、加之密封材料选择得当,从而使蝶阀的密封性、耐腐蚀性、耐高温性和耐磨性等得到了可靠的保证。其主要特点如下:
1、开启力矩小,灵活方便,省力节能。
2、三维编心结构,使蝶板越关越紧,其密封性能可靠,达到无泄漏。
3、耐高压、耐腐蚀、耐磨损、使用寿命长等。
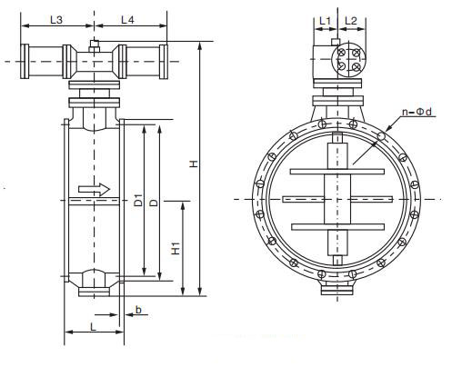
D643H气动三偏心硬密封蝶阀主要外形尺寸

| 公称通径(DN) | 主要尺寸 | 法兰尺寸和螺栓规格 | ||||||||||
| 1.0MPa | 1.6MPa | 2.5MPa | ||||||||||
| L | H1 | H | D | D1 | n-Фd | D | D1 | n-Фd | D | D1 | n-Фd | |
| 50 | 108 | 350 | 112 | 165 | 125 | 4-18 | 165 | 125 | 4-18 | 165 | 125 | 4-18 |
| 65 | 112 | 370 | 115 | 185 | 145 | 4-18 | 185 | 145 | 4-18 | 185 | 145 | 8-18 |
| 80 | 114 | 380 | 120 | 200 | 160 | 4-18 | 200 | 160 | 8-18 | 200 | 160 | 8-18 |
| 100 | 127 | 420 | 138 | 220 | 180 | 8-18 | 220 | 180 | 8-18 | 235 | 190 | 8-22 |
| 125 | 140 | 460 | 164 | 250 | 210 | 8-18 | 250 | 210 | 8-18 | 270 | 220 | 8-26 |
| 150 | 140 | 555 | 175 | 285 | 240 | 8-22 | 285 | 240 | 8-22 | 300 | 250 | 8-26 |
| 200 | 152 | 760 | 200 | 340 | 295 | 8-22 | 340 | 295 | 12-22 | 360 | 310 | 12-26 |
| 250 | 165 | 830 | 243 | 395 | 350 | 12-22 | 405 | 355 | 12-26 | 425 | 370 | 12-30 |
| 300 | 178 | 895 | 250 | 445 | 400 | 12-22 | 460 | 410 | 12-26 | 485 | 430 | 16-30 |
| 350 | 190 | 950 | 280 | 505 | 460 | 16-22 | 520 | 470 | 12-26 | 555 | 490 | 16-33 |
| 400 | 216 | 1190 | 305 | 565 | 515 | 16-26 | 580 | 525 | 16-26 | 620 | 550 | 16-36 |
| 450 | 222 | 1255 | 350 | 615 | 565 | 20-26 | 640 | 585 | 16-30 | 670 | 600 | 20-36 |
| 500 | 229 | 1305 | 380 | 670 | 620 | 20-26 | 715 | 650 | 20-30 | 730 | 660 | 20-36 |
| 600 | 267 | 1340 | 445 | 780 | 725 | 20-30 | 840 | 770 | 20-33 | 845 | 770 | 20-39 |
| 700 | 292 | 1520 | 480 | 895 | 840 | 24-30 | 910 | 840 | 24-36 | 960 | 875 | 24-42 |
| 800 | 318 | 1710 | 530 | 1015 | 950 | 24-33 | 1025 | 950 | 24-39 | 1085 | 990 | 24-48 |
| 900 | 330 | 1810 | 580 | 1115 | 1050 | 28-33 | 1125 | 1050 | 28-39 | 1185 | 1090 | 28-48 |
| 1000 | 410 | 1960 | 650 | 1230 | 1160 | 28-36 | 1255 | 1170 | 28-42 | 1320 | 1210 | 28-56 |
| 1200 | 470 | 2250 | 760 | 1455 | 1380 | 32-39 | 1485 | 1390 | 32-48 | 1530 | 1420 | 32-56 |
温馨提示:
本文中所有文字、数据、图片均只适用于参考。需要查看更多的D643H气动三偏心硬密封蝶阀性能参数、结构尺寸参数、价格等详情,或要求高质量印刷样本,请联系我们。