D943H电动金属硬密封蝶阀
产品概况
产品型号:D943H
公称通径:DN50~2000mm
公称压力:PN0.6~2.5MPa
驱动方式:蜗轮传动、电动、气动、液动
制造标准:JB/T 8527-97
法兰标准:GB9113-2000
结构长度标准:GB12221-89
检验标准:GB/T 13927-92
D943H电动三偏心硬密封蝶阀主要技术参数
|
公称通径DN(mm) |
50~2000 |
|||
|
公称压力PN(MPa) |
0.6 |
1.0 |
1.6 |
2.5 |
|
密封试验(MPa) |
0.66 |
1.1 |
1.76 |
2.75 |
|
强度试验(MPa) |
0.9 |
1.5 |
2.4 |
3.75 |
|
适用温度 |
碳钢:-29℃~425℃ 不锈钢:-40℃~650℃ |
|||
|
适用介质 |
水、空气、天然气、油品及弱腐蚀性流体 |
|||
|
泄漏率 |
符合GB/T13927-92标准 |
|||
|
驱动方式 |
蜗轮传动、电动、气动、液动 |
|||
D943H电动三偏心硬密封蝶阀主要零部件材料
|
零件名称 |
材料 |
|
阀体 |
WCB、合金钢、不锈钢、QT450-10 |
|
蝶板 |
WCB、合金钢、不锈钢、QT450-10 |
|
阀轴 |
2Cr13不锈钢、合金钢 |
|
密封圈 |
不锈钢圈 |
|
填料 |
柔性石墨 |
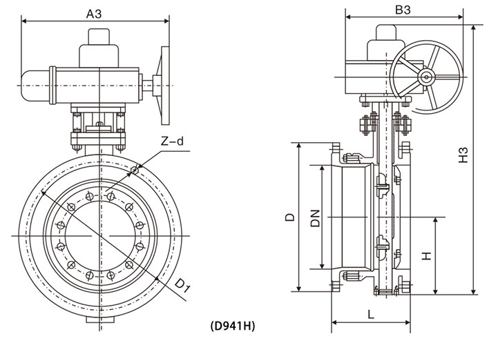
D943H电动三偏心硬密封蝶阀连接尺寸

|
公称通径(DN) |
主要尺寸 |
法兰尺寸和螺栓规格 |
||||||||||
|
1.0MPa |
1.6MPa |
2.5MPa |
||||||||||
|
L |
H1 |
H |
D |
D1 |
n-Фd |
D |
D1 |
n-Фd |
D |
D1 |
n-Фd |
|
|
50 |
108 |
530 |
112 |
165 |
125 |
4-18 |
165 |
125 |
4-18 |
165 |
125 |
4-18 |
|
65 |
112 |
530 |
115 |
185 |
145 |
4-18 |
185 |
145 |
4-18 |
185 |
145 |
8-18 |
|
80 |
114 |
565 |
120 |
200 |
160 |
4-18 |
200 |
160 |
8-18 |
200 |
160 |
8-18 |
|
100 |
127 |
600 |
138 |
220 |
180 |
8-18 |
220 |
180 |
8-18 |
235 |
190 |
8-22 |
|
125 |
140 |
640 |
164 |
250 |
210 |
8-18 |
250 |
210 |
8-18 |
270 |
220 |
8-26 |
|
150 |
140 |
705 |
175 |
285 |
240 |
8-22 |
285 |
240 |
8-22 |
300 |
250 |
8-26 |
|
200 |
152 |
775 |
200 |
340 |
295 |
8-22 |
340 |
295 |
12-22 |
360 |
310 |
12-26 |
|
250 |
165 |
945 |
243 |
395 |
350 |
12-22 |
405 |
355 |
12-26 |
425 |
370 |
12-30 |
|
300 |
178 |
1070 |
250 |
445 |
400 |
12-22 |
460 |
410 |
12-26 |
485 |
430 |
16-30 |
|
350 |
190 |
1140 |
280 |
505 |
460 |
16-22 |
520 |
470 |
12-26 |
555 |
490 |
16-33 |
|
400 |
216 |
1210 |
305 |
565 |
515 |
16-26 |
580 |
525 |
16-26 |
620 |
550 |
16-36 |
|
450 |
222 |
1335 |
350 |
615 |
565 |
20-26 |
640 |
585 |
16-30 |
670 |
600 |
20-36 |
|
500 |
229 |
1415 |
380 |
670 |
620 |
20-26 |
715 |
650 |
20-30 |
730 |
660 |
20-36 |
|
600 |
267 |
1605 |
445 |
780 |
725 |
20-30 |
840 |
770 |
20-33 |
845 |
770 |
20-39 |
|
700 |
292 |
1844 |
480 |
895 |
840 |
24-30 |
910 |
840 |
24-36 |
960 |
875 |
24-42 |
|
800 |
318 |
2040 |
530 |
1015 |
950 |
24-33 |
1025 |
950 |
24-39 |
1085 |
990 |
24-48 |
|
900 |
330 |
2255 |
580 |
1115 |
1050 |
28-33 |
1125 |
1050 |
28-39 |
1185 |
1090 |
28-48 |
|
1000 |
410 |
2380 |
650 |
1230 |
1160 |
28-36 |
1255 |
1170 |
28-42 |
1320 |
1210 |
28-56 |
|
1200 |
470 |
2640 |
760 |
1455 |
1380 |
32-39 |
1485 |
1390 |
32-48 |
1530 |
1420 |
32-56 |
|
1400 |
530 |
2886 |
850 |
1675 |
1590 |
36-42 |
1685 |
1590 |
36-48 |
1755 |
1640 |
36-62 |
|
1600 |
600 |
3156 |
1030 |
1915 |
1820 |
40-48 |
1930 |
1820 |
40-56 |
1975 |
1860 |
40-62 |
|
1800 |
670 |
3421 |
1230 |
2115 |
2020 |
44-48 |
2130 |
2020 |
44-56 |
2195 |
2070 |
44-70 |
|
2000 |
760 |
3685 |
1350 |
2325 |
2230 |
48-48 |
2345 |
2230 |
48-62 |
2425 |
2300 |
48-70 |
温馨提示:
本文中所有文字、数据、图片均只适用于参考。需要查看更多的D943H电动金属硬密封蝶阀性能参数、结构尺寸参数、价格等详情,或要求高质量印刷样本,请联系我们。