D641X气动法兰中线蝶阀
产品概况
产品型号:D641X
公称通径:DN25~1000mm
公称压力:1.6MPa
阀体材质:WCB、304、316、UPVC
阀板材质:304、316、316L、尼龙板、铝青铜、球铁镀镍
适用温度:NBR:-30~80℃;EPDM:-30~120℃;PTFE:-30~130℃
设计标准:GB/T2238-1989
法兰连接尺寸:GB/T9113.1-2000;GB/T9115.1-2000;JB78
结构长度:GB/T12221-1989
压力试验:GB/T13927-1992;JB/T9092-1999
D641X气动法兰中线蝶阀概述
百钢阀门集团生产销售的D641X气动法兰中线蝶阀是一种蝶板的回转中心(即阀门轴中心)位于阀体的中心线和蝶板的密封截面上的蝶阀,连接方式有对夹式和法兰式。气动中线蝶阀流体阻力较小,中大口径的蝶阀全开时有效流通面积较大,启闭迅速省力,利用压缩空气来带动碟扳旋转90角度即可完成启闭,也可以装配上电气阀门定位器对介质流量,压力,温度等各项参数进行调节控制。
D641X气动法兰中线蝶阀特点
1、小巧轻便,容易拆装及维修,并可在任意位置安装。
2、结构简单、紧凑,操作扭矩小,90°回转开启迅速。
3、流量特性为直线,调节性能好。
4、蝶板与阀杆的连接采用无销钉结构,克服了有可能的内泄漏点。
5、蝶板外圆采用球面造型,提高了密封性能及延长了阀门的使用寿命,带压启闭5万次以上仍保持零泄漏。
D641X气动法兰中线蝶阀技术参数
阀体材质:WCB、304、316、UPVC
阀板材质:304、316、316L、尼龙板、铝青铜、球铁镀镍
密封阀座:NBR、EPDM、PTFE【压力等级】:1.6MPa
公称通径:DN25-DN1000
结构形式:A型、LT凸耳式
连接方式:对夹、法兰式
电磁阀电压:AC220V/110V/380V/24V 50/60HZ DC24V/12V +10%到-10%
温度范围:NBR:-30~80℃;EPDM:-30~120℃;PTFE:-30~130℃
气动执行器:双作用、单作用
气动附件:换向电磁阀、限位开关、空气过滤减压阀、电气定位器、手轮机构
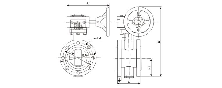
|
口径 |
英寸 |
法兰 GB国标尺寸PN10/PN16/PN25 |
执行器尺寸 |
|||||||
|
L |
H |
H1 |
D1 |
n-d |
重量KG |
A |
B |
C |
||
|
DN50 |
2 |
108 |
245 |
80 |
125/125/125 |
4-18/4-18/4-18 |
12 |
217 |
137 |
111 |
|
DN65 |
2-1/2 |
112 |
250 |
90 |
145/145/145 |
4-18/4-18/8-18 |
13.75 |
258 |
147 |
122 |
|
DN80 |
3 |
114 |
350 |
98 |
160/160/160 |
4-18/8-18/8-18 |
16.25 |
258 |
147 |
122 |
|
DN100 |
4 |
127 |
380 |
112 |
180/180/190 |
8-18/8-18/8-22 |
21 |
299 |
165 |
135 |
|
DN125 |
5 |
140 |
410 |
128 |
210/210/220 |
8-18/8-18/8-26 |
30 |
349 |
182 |
153 |
|
DN150 |
6 |
140 |
490 |
147 |
240/240/250 |
8-22/8-22/8-26 |
37 |
397 |
199 |
173 |
|
DN200 |
8 |
152 |
560 |
178 |
295/295/310 |
8-22/12-22/12-26 |
49 |
473 |
221 |
192 |
|
DN250 |
10 |
165 |
621 |
215 |
350/355/370 |
12-22/12-26/12-30 |
72 |
560 |
249 |
213 |
|
DN300 |
12 |
178 |
680 |
250 |
400/410/430 |
12-22/12-26/16-30 |
92 |
601 |
280 |
243 |
|
DN350 |
14 |
190 |
757 |
280 |
460/470/490 |
16-22/16-26/16-33 |
127.5 |
738 |
383 |
356 |
|
DN400 |
16 |
216 |
825 |
320 |
515/525/550 |
16-26/16-30/16-36 |
158 |
738 |
383 |
356 |
|
DN450 |
18 |
222 |
925 |
350 |
565/585/600 |
20-26/20-30/20-36 |
202 |
738 |
383 |
356 |
|
DN500 |
20 |
229 |
1010 |
380 |
620/650/660 |
20-26/20-33/20-36 |
251 |
940 |
434 |
415 |
|
DN600 |
24 |
267 |
1180 |
440 |
725/770/770 |
20-30/20-36/20-36 |
350 |
940 |
434 |
415 |
温馨提示:
本文中所有文字、数据、图片均只适用于参考。需要查看更多的D641X气动法兰中线蝶阀性能参数、结构尺寸参数、价格等详情,或要求高质量印刷样本,请联系我们。