D671X-10U气动UPVC蝶阀
产品概况
产品型号:D671X-10U
公称通径:DN50~300mm
公称压力:PN1.0~1.6Mpa
适用温度:0~+60℃
阀体材质:UPVC、CPVC、PP
驱动方式:手柄 蜗轮传动、电动、气动、液动
制造标准:GB/T 122387-89
法兰标准:GB9113-2000、GB17241.6-1998
结构长度标准:GB12221-89
检验标准:GB/T 13927-92
一、D671X-10U气动UPVC蝶阀 概述
百钢阀门集团生产销售的D671X-10U气动UPVC蝶阀重量轻、耐腐蚀性强,被应用于多个领域,如一般纯水和生活饮水的管路系统、排水和污水管路系统、盐水和海水管路系统、酸碱和化学溶液系统等多个行业,品质得到广大用户的认可。
1、外型结构紧凑美观
2、本体重量轻容易安装
3、耐腐蚀性强,应用范围广
4、材质卫生无毒
5、耐磨损、容易拆卸,维护简单易
二、D671X-10U气动UPVC蝶阀 主要参数
| 空气驱动 | 压缩空气4-6bar(可带手轮) |
| 公称通径 | 50~300mm |
| 公称压力 | 1.0~1.6Mpa |
| 适用温度 | 0~+60℃ |
| 连接方式 | 对夹 |
| 阀结构 | A型 |
| 阀体材质 | UPVC、CPVC、PP |
| 阀芯材质 | UPVC、CPVC、PP、PTFE |
| 密封材质 | FPM、EPDM、NBR |
| 适用介质 | PVC兼容的食品工业化学溶剂 |
| 可选附件 | 限位开关、定位器、电磁阀、减压阀 |
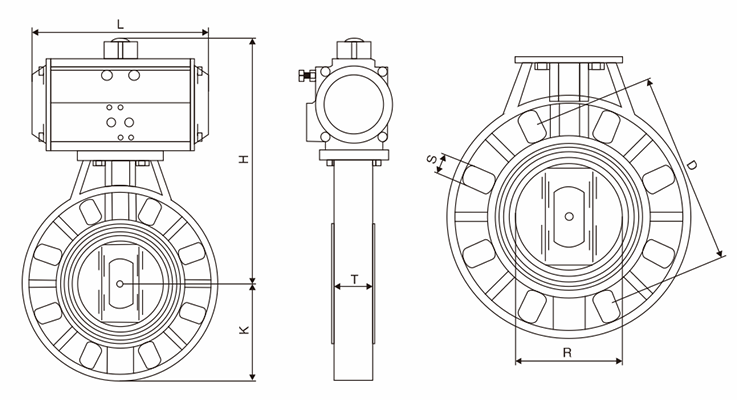
三、D671X-10U气动UPVC蝶阀 主要外型尺寸

| 通径(mm) | 英寸″ | 尺寸(mm) | |||||||||
| L | D1 | D2-ANSI | D2-JIS | D2-DIN | D3 | H | N-φm-ANSI | N-φm-JSI | N-φm-DIN | ||
| 50 | 2 | 43 | 56.5 | 120.39 | 120 | 125 | 165 | 103 | 4-19 | 4-19 | 4-18 |
| 65 | 21/2 | 47.5 | 70 | 139.44 | 140 | 145 | 185 | 113 | 4-19 | 4-19 | 4-18 |
| 80 | 3 | 47.5 | 79 | 152.4 | 150 | 160 | 201 | 115 | 4-19 | 4-19 | 4-18 |
| 100 | 4 | 57.2 | 103 | 190.5 | 175 | 180 | 229 | 135 | 8-19 | 8-19 | 8-18 |
| 125 | 5 | 66 | 130 | 216 | 210 | 210 | 257 | 165 | 8-22 | 8-23 | 8-18 |
| 150 | 6 | 74 | 151 | 241.55 | 240 | 240 | 285 | 177 | 8-22 | 8-23 | 8-23 |
| 200 | 8 | 87.5 | 200 | 298.5 | 290 | 295 | 343 | 210 | 8-22 | 8-23 | 8-23 |
| 250 | 10 | 110 | 255 | 362 | 355 | 350 | 411 | 240 | 12-25 | 12-25 | 12-23 |
| 300 | 12 | 129 | 311 | 432 | 400 | 400 | 490 | 297 | 12-25 | 12-25 | 12-23 |
温馨提示:
本文中所有文字、数据、图片均只适用于参考。需要查看更多的D671X-10U气动UPVC蝶阀 性能参数、结构尺寸参数、价格等详情,或要求高质量印刷样本,请联系我们。