D343W/H法兰式多层次金属硬密封蝶阀
产品概况
产品型号:D343W/H
公称通径:DN50~2000mm
公称压力:PN0.6~4.0MPa
适用温度:-29~425℃
适用介质:水、蒸汽、油品等
驱动方式:蜗轮传动、电动、气动、液动
设计制造标准:GB/T 12238-2008
结构长度标准:GB/T 12221-2005
连接法兰标准:GB/T 9113
压力温度等级:GB/T 12224-2005
试验检验标准:GB/T 13927-2008
一、D343W/H法兰式多层次金属硬密封蝶阀产品概述:
百钢阀门集团生产销售的D343W/H法兰式多层次金属硬密封蝶阀采用精密的J形弹性密封圈和三偏心多层次金属硬密封结构,被广泛用于介质温度≤425℃的治金、电力、石油化工、以及给排水和市政建设等工业管道上,作调节流量和载断流体使用。该阀采用三偏心结构,阀座与碟板密封面均采用不同硬度和不锈钢制作,具有良好的耐腐蚀性,使用寿命长,产品符合GB/T13927-92阀门压力试验标准。
二、D343W/H法兰式多层次金属硬密封蝶阀特点:
1、本阀采用三偏心密封结构,阀座与蝶板几乎无磨损,具有越观越紧的密封功能。
2、密封圈选用不锈钢制作,具有金属硬密封和弹性密封的双重优点,无论在低温和高温的情况下,均具有优良的密封性能,具有耐腐蚀,使用寿命长等特点。
3、碟板密封面采用堆焊钴基硬质合金,密封面耐磨损,使用寿命长.
4、大规格蝶板采用绗架结构,强度高,过流面积大,流阻小。
5、本阀具有双向密封功能,安装时不受介质流向的限制,也不受空间位置的影响,可在任何方向安装。
6、驱动装置可以多工位(旋转90°或180°)安装,便于用户使用。
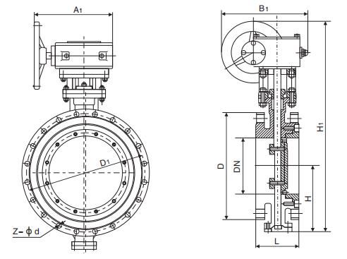
三、D343W/H法兰式多层次金属硬密封蝶阀连接尺寸:

|
公称通径 (DN) |
主要尺寸 | 法兰尺寸和螺栓规格 | ||||||||||
| 1.0MPa | 1.6MPa | 2.5MPa | ||||||||||
| L | H1 | H | D | D1 | n-Фd | D | D1 | n-Фd | D | D1 | n-Фd | |
| 50 | 108 | 350 | 112 | 165 | 125 | 4-18 | 165 | 125 | 4-18 | 165 | 125 | 4-18 |
| 65 | 112 | 370 | 115 | 185 | 145 | 4-18 | 185 | 145 | 4-18 | 185 | 145 | 8-18 |
| 80 | 114 | 380 | 120 | 200 | 160 | 4-18 | 200 | 160 | 8-18 | 200 | 160 | 8-18 |
| 100 | 127 | 420 | 138 | 220 | 180 | 8-18 | 220 | 180 | 8-18 | 235 | 190 | 8-22 |
| 125 | 140 | 460 | 164 | 250 | 210 | 8-18 | 250 | 210 | 8-22 | 270 | 220 | 8-26 |
| 150 | 140 | 555 | 175 | 285 | 240 | 8-22 | 285 | 240 | 8-22 | 300 | 250 | 8-26 |
| 200 | 152 | 760 | 200 | 340 | 295 | 8-22 | 340 | 295 | 12-22 | 360 | 310 | 12-26 |
| 250 | 165 | 830 | 243 | 395 | 350 | 12-22 | 405 | 355 | 12-26 | 425 | 370 | 12-30 |
| 300 | 178 | 895 | 250 | 445 | 400 | 12-22 | 460 | 410 | 12-26 | 485 | 430 | 16-30 |
| 350 | 190 | 950 | 280 | 505 | 460 | 16-22 | 520 | 470 | 16-26 | 555 | 490 | 16-33 |
| 400 | 216 | 1190 | 305 | 565 | 515 | 16-26 | 580 | 525 | 16-30 | 620 | 550 | 16-36 |
| 450 | 222 | 1255 | 350 | 615 | 565 | 20-26 | 640 | 585 | 20-30 | 670 | 600 | 20-36 |
| 500 | 229 | 1305 | 380 | 670 | 620 | 20-26 | 715 | 650 | 20-33 | 730 | 660 | 20-36 |
| 600 | 267 | 1340 | 445 | 780 | 725 | 20-30 | 840 | 770 | 20-36 | 845 | 770 | 20-39 |
| 700 | 292 | 1520 | 480 | 895 | 840 | 24-30 | 910 | 840 | 24-36 | 960 | 875 | 24-42 |
| 800 | 318 | 1710 | 530 | 1015 | 950 | 24-33 | 1025 | 950 | 24-39 | 1085 | 990 | 24-48 |
| 900 | 330 | 1810 | 580 | 1115 | 1050 | 28-33 | 1125 | 1050 | 28-39 | 1185 | 1090 | 28-48 |
| 1000 | 410 | 1960 | 650 | 1230 | 1160 | 28-36 | 1255 | 1170 | 28-42 | 1320 | 1210 | 28-56 |
| 1200 | 470 | 2250 | 760 | 1455 | 1380 | 32-39 | 1485 | 1390 | 32-48 | 1530 | 1420 | 32-56 |
| 1400 | 530 | 2435 | 850 | 1675 | 1590 | 36-42 | 1685 | 1590 | 36-48 | 1755 | 1640 | 36-62 |
| 1600 | 600 | 2780 | 1030 | 1915 | 1820 | 40-48 | 1930 | 1820 | 40-56 | 1975 | 1860 | 40-62 |
| 1800 | 670 | 3020 | 1230 | 2115 | 2020 | 44-48 | 2130 | 2020 | 44-56 | 2195 | 2070 | 44-70 |
| 2000 | 760 | 3270 | 1350 | 2325 | 2230 | 48-48 | 2345 | 2230 | 48-62 | 2425 | 2300 | 48-70 |
温馨提示:
本文中所有文字、数据、图片均只适用于参考。需要查看更多的D343W/H法兰式多层次金属硬密封蝶阀性能参数、结构尺寸参数、价格等详情,或要求高质量印刷样本,请联系我们。