D363H/W对焊式硬密封蝶阀
产品概况
产品型号:D363H/W
公称通经:DN100~1000mm、NPS4"~48"
公称压力:强度试验(1.5×PN)密封试验(1.1×PN)
适用温度:碳钢:-29℃~425℃,不锈钢:-40℃~650℃
适用介质:水、热水、蒸汽、油品
驱动形式:蜗轮传动、电动、气动、液动
焊接标准:GB12224、ANSI B16.25、DIN2559
D363H/W对悍式硬密封蝶阀特点
1、采用三偏心蝶阀阀门,此设计使阀门为高温、高压、防火应用中气泡级密封的理想硬密封蝶阀。
2、由于采用焊接结构,使阀门与管道平面达到零泄漏。
3、此阀无法兰,对管道和保温包扎带来了很大的方便和美观。
D363H/W对悍式硬密封蝶阀主要技术参数
| 公称通径DN(mm) | DN(100~400)mm、in4~48 |
| 公称压力PN(MPa) | 强度试验(1.5×PN)密封试验(1.1×PN) |
| 适用温度 | 碳钢:-29℃~425℃,不锈钢:-40℃~650℃ |
| 适用介质 | 水、蒸汽、热水、油品 |
| 驱动方式 | 蜗轮传动、电动、气动、液动 |
| 压力等级 | ANSI 150Lb/PN25 |
| 焊接标准 | GB12224、ANSI B16、25、DIN2559 |
D363H/W对焊式硬密封蝶阀主要零部件材料
| 零件名称 | 材料 |
| 阀体 | 碳钢、不锈钢、铬铝钢 |
| 蝶板 | 碳钢、合金钢、不锈钢 |
| 阀座 | 3不锈钢、钴基硬质合金 |
| 轴套 | 不锈钢 |
| 阀杆 | 不锈钢、特殊材料 |
| 填料 | 柔性石墨 |
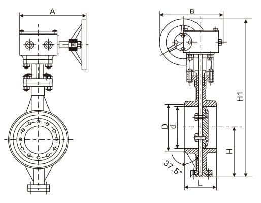
D363H/W对悍式硬密封蝶阀连接尺寸

|
公称通径 |
主要尺寸 | 公称通径 | 主要尺寸 | ||||||
| in | DN(mm) | L | H1 | H | in | DN(mm) | L | H1 | H |
| 4 | 100 | 190 | 270 | 370 | 18 | 450 | 330 | 535 | 820 |
| 5 | 125 | 200 | 295 | 390 | 20 | 500 | 350 | 560 | 900 |
| 6 | 150 | 210 | 308 | 416 | 24 | 600 | 390 | 630 | 980 |
| 8 | 200 | 230 | 370 | 530 | 28 | 700 | 430 | 670 | 1100 |
| 10 | 250 | 250 | 450 | 580 | 32 | 800 | 470 | 800 | 1300 |
| 12 | 300 | 270 | 465 | 630 | 36 | 900 | 510 | 850 | 1370 |
| 14 | 350 | 290 | 475 | 595 | 40 | 1000 | 550 | 880 | 1480 |
| 16 | 400 | 310 | 505 | 755 | 48 | 1200 | 630 | 1000 | 1690 |
温馨提示:
本文中所有文字、数据、图片均只适用于参考。需要查看更多的D363H/W对焊式硬密封蝶阀性能参数、结构尺寸参数、价格等详情,或要求高质量印刷样本,请联系我们。