XD371X消防信号蝶阀
产品概况
产品型号:XD371X
公称压力:PN1.0~2.5Mpa
公称通径:DN50~350mm
工作温度:-10℃-80℃
适用介质:水、油、气
设计标准:GB/T12238-2008
结构长度:GB/T12221-2005
连接标准:JB/T 79.1-1994
压力试验:GB/T13927-2008
XD371X消防信号蝶阀基本信息
百钢阀门集团生产销售的XD371X消防专用信号蝶阀是引进国外技术而自行开发的中线型蝶阀,BWSX中线型对夹消防专用信号蝶阀具有结构简单、密封可靠、开启轻便、寿命长、维护方便等优点。故被广泛的应用于给排水、建筑消防等系统各种管道上,尤其在消防管路中。
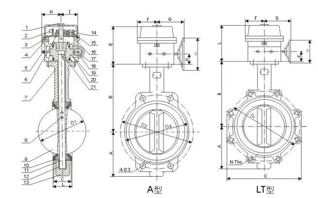
XD371X消防信号蝶阀主要零件:
|
序号
|
零件名称
|
材质
|
序号
|
零件名称
|
材质
|
|
1
|
阀体
|
球铁、铸钢
|
7
|
密封圈
|
NBR.EPDM
|
|
2
|
阀轴
|
SUS410/SUS316
|
8
|
圆垫片
|
SUS316/黄铜
|
|
3
|
蝶板
|
球铁喷塑、不锈钢
|
9
|
对开环
|
SUS316/黄铜
|
|
4
|
阀座
|
EPDM,PTEE
|
10
|
挡圈
|
弹簧钢
|
|
6
|
衬套
|
青铜、聚四氟乙烯
|
|
|
|
XD371X消防信号蝶阀主要外形尺寸及重量(PN1.0/1.6MPa)

| DN(mm) | A | B | C | D1 | L | n-Φ | K | E | 4-Φ1 | Φ2 | G | 重量WT(kg) |
| 50 | 140 | 80 | 43 | 125 | 32 | 4-19 | 77 | 57.15 | 4-6.7 | 12.6 | 100 | 3.34 |
| 65 | 152 | 89 | 46 | 145 | 32 | 4-19 | 77 | 57.15 | 4-.67 | 12.6 | 120 | 3.94 |
| 80 | 159 | 95 | 45.21 | 160 | 32 | 8-19 | 77 | 57.15 | 4-.67 | 12.6 | 127 | 4.05 |
| 100 | 178 | 114 | 52.07 | 180 | 32 | 8-19 | 92 | 69.85 | 4-10.3 | 15.77 | 156 | 5.48 |
| 125 | 190 | 127 | 55.5 | 210 | 32 | 8-19 | 92 | 69.85 | 4-10.3 | 18.92 | 190 | 7.66 |
| 150 | 203 | 139 | 55.75 | 240 | 32 | 8-23 | 92 | 69.85 | 4-10.3 | 18.92 | 212 | 8.5 |
| 200 | 238 | 175 | 60.58 | 295 | 45 | 8-23 | 115 | 88.9 | 4-14.3 | 22.1 | 268 | 25 |
| 250 | 268 | 203 | 68 | 350 | 45 | 12-23 | 115 | 88.9 | 4-14.3 | 28.45 | 325 | 31.4 |
| 300 | 306 | 242 | 76.9 | 400 | 45 | 12-23 | 140 | 107.95 | 4-14.3 | 31.6 | 403 | 45.9 |
| 350 | 368 | 267 | 76.17 | 460 | 45 | 16-23 | 140 | 107.95 | 4-14.3 | 31.6 | 436 | 54 |
温馨提示:
本文中所有文字、数据、图片均只适用于参考。需要查看更多的XD371X消防信号蝶阀性能参数、结构尺寸参数、价格等详情,或要求高质量印刷样本,请联系我们。