SQD643X气动三通切换阀结构特点及用途
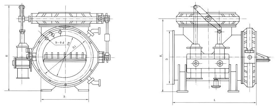
百钢阀门集团生产销售的SQD643X气动三通切换阀是一种气体切换的理想设备,是我司吸取国内外同类产品的技术研制而成的,本阀具有结构简单,操作方便,密封可靠,切换准确,使用寿命长,广泛应用在冶金、石化、环保等行业现场操作或远距离控制。特别适用于钢铁厂转炉煤气回收装置中控制煤气的回 收与放散。本阀主要由三通体和两只密封蝶阀及二只气(油)缸、连杆、控制箱组成。
SQD643X气动三通切换阀主要性能

| 公称压力 | 0.1MPa | 适用 温度 | SQD6/7 43X | 蝶阀为橡胶软密封 ≤80°C ≤120°C |
| 密封试验压力 | 0.11MPa | SQD6/7 43H | 蝶阀为金属硬密封 ≤350°C ≤500°C | |
| 强度试验压力 | 0.15MPa | 气源压力 | (气动三通切换阀) 0.4 ~0.6MPa | |
| 启闭切换时间 | ≤15s | 供油压力 | (液动三通切换阀) 6.3MPa | |
| 适用介质 | 含尘气体、烟气、煤气、空气等 | |||
温馨提示:
本文中所有文字、数据、图片均只适用于参考。需要查看更多的SQD643X气动三通切换阀性能参数、结构尺寸参数、价格等详情,或要求高质量印刷样本,请联系我们。