F943X电动盲板阀
产品概况
产品型号:F943X
公称通径:DN400~1800mm
公称压力:PN0.05~0.25MPa
适用温度:≤450℃
适用介质:煤气及有毒、有害、易燃气体
主要材料:碳钢、不锈钢、硅橡胶
驱动方式:电动、液动、气动、电液动
设计标准:API 600、API6D、ASME B16.34、GB/T 12234
结构长度:ASME B16.10、API6D、GB/T 12221
连接标准:ASME B16.5、ASME B16.47、GB/T 9113、JB/T 79、HG/T 20592
压力试验:API 598、GB/T 13927、JB/T 9092
压力-温度等级:ASME B16.34 、GB/T 12224
一、F943X电动盲板阀产品用途
百钢阀门集团生产销售的F943X电动盲板阀按GB6222《工业企业煤气安全规程》的有关标准同时消化吸收国内外技术基础上,研制开发的 新一代产品。广泛适用于工矿企业、环境保护等行业的煤气、有毒气体介质管道中,作为可靠的切断装置。
二、F943X电动盲板阀结构特点
1、本阀由左右阀体、扇形阀板、不锈钢波纹管、电动驱动装置、电动夹紧装置等部件组成;
2、阀体采用三点式锁紧扇形阀板结构;
3、密封部位采用不锈钢与橡胶密封圈,密封性能可靠,从而增加密封圈的使用寿命,密封圈设在阀板上,便于维护时更换密封圈。
4、电动操作、工作平稳、启闭灵活、动作可靠;
5、夹紧动作采用丝杆螺母副进行夹紧,自锁性好;
6、电动盲板阀设有不锈刚波纹管,具有伸缩性强、使用寿命长等到优点。
三、F943X电动盲板阀安装及使用权说明
1、本阀安装完毕后,应做支架固定阀门底座,在动作时阀门受力于支架上;
2、首先启动电动夹装置把左右阀体位移使之阀体和阀板完全脱离,再开启阀板电动驱动装置开启或关闭,随后再起动电动夹装置, 检查左右阀体是否紧贴在阀板上及电动驱动装置动作时限位开关是否动作;
四、F943X电动盲板阀产品简介
电动盲板阀,主要由左阀体、右阀体、阀杆、闸板、密封圈、电动推杆等零件组成,并由底座、支撑柱构成一个刚性结构体。密封部位采用不锈钢与橡胶密封圈,密封性能好,使用寿命长,密封圈设置闸板上,易于维护时更换密封圈,橡胶密封圈镶钳在闸板上。电动推杆盲板阀可以单台远距离控制,亦可多台联网远距离控制,非正常情况下还可以利用阀门本身装置手动操作。
五、F943X电动盲板阀工作原理
1、由阀开启到阀关闭:夹紧电机动作,带动丝杆作逆时针转动,阀体松开到位(指标灯显示),驱动电机动作,带动闸板作逆时针转动到位,闸板关闭到位(指示灯显示),夹紧电机动作,带动丝杆作顺时针转动,阀体夹紧到位(指示灯显示)完成阀门由开启到关闭的全过程。
2、阀门由关闭到开启:夹紧电机动作,带动丝杆作逆时针转动,阀体松开到位(指标灯显示),驱动电机动作,带动闸板作顺时针转动,闸板开启到位, ( 指示灯显示)完成阀门由关闭到开启的全过程。
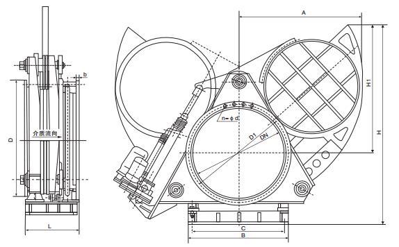
六、F943X电动盲板阀主要连接尺寸:

| DN | D | D1 | b | n-φd | L |
| 300 | 440 | 395 | 22 | 12-φ22 | 500 |
| 350 | 490 | 445 | 22 | 12-φ22 | 500 |
| 400 | 540 | 495 | 22 | 16-φ22 | 600 |
| 450 | 595 | 550 | 24 | 16-φ22 | 600 |
| 500 | 645 | 600 | 24 | 16-φ22 | 600 |
| 600 | 755 | 705 | 24 | 20-φ26 | 600 |
| 700 | 860 | 810 | 26 | 24-φ26 | 800 |
| 800 | 975 | 920 | 26 | 24-φ30 | 800 |
| 900 | 1075 | 1020 | 28 | 24-φ30 | 800 |
| 1000 | 1175 | 1120 | 30 | 28-φ30 | 800 |
| 1100 | 1275 | 1220 | 30 | 28-φ30 | 800 |
| 1200 | 1375 | 1320 | 30 | 32-φ30 | 800 |
| 1300 | 1475 | 1420 | 32 | 32-φ30 | 800 |
| 1400 | 1575 | 1520 | 32 | 36-φ30 | 850 |
| 1500 | 1675 | 1620 | 32 | 36-φ30 | 850 |
| 1600 | 1790 | 1730 | 32 | 40-φ30 | 850 |
| 1800 | 1990 | 1930 | 32 | 44-φ30 | 1100 |
| 2000 | 2190 | 2130 | 32 | 46-φ30 | 1100 |
温馨提示:
本文中所有文字、数据、图片均只适用于参考。需要查看更多的F943X电动盲板阀性能参数、结构尺寸参数、价格等详情,或要求高质量印刷样本,请联系我们。