服务热线:021-57278880
语言:  
您当前位置: 产品中心 冶金阀门 电动分体式盲板阀

F943X电动分体式盲板阀

产品概况

产品型号:F943X
公称通径:DN300~2000mm
公称压力:PN0.05~0.25MPa
适用温度:≤300℃
适用介质:煤气及有毒、有害、易燃气体
主要材料:碳钢、不锈钢、硅橡胶
驱动方式:电动、液动、气动、电液动
设计标准:API 600、API6D、ASME B16.34、GB/T 12234
结构长度:ASME B16.10、API6D、GB/T 12221
连接标准:ASME B16.5、ASME B16.47、GB/T 9113、JB/T 79、HG/T 20592
压力试验:API 598、GB/T 13927、JB/T 9092
压力-温度等级:ASME B16.34 、GB/T 12224

F943X电动分体式盲板阀产品详情

一、F943X电动分体式盲板阀主要结构特点

1、百钢阀门集团生产销售的F943X电动分体式盲板阀由阀门本体、驱动装置,夹紧装置等组成。
 2、阀门本体采用三点式结构,结构紧凑、整体刚性好、重量好。
 3、阀体、阀板密封副采用不锈钢与橡胶组成的柔性密封副,密封可靠,密封圈采用氟橡胶,耐高温,使用寿命长。
 4、夹紧机构采用丝杆螺母式,夹紧、松开动作迅速,自锁性好。
 5、采用防爆型电机,无论在室内还是室外,均能保证阀门安全可靠运作。
 6、本盲板阀可现场手动操作,也可远距离顺控。
 7、本盲板阀也可单独设计电气控制箱操作控制装置,本机出厂不配电气控制箱,用户如需另订。


二、F943X电动分体式盲板阀工作原理

1、由阀开启到阀关闭:
 夹紧电机动作,带动丝杆作逆时针转动,阀体松开到位(指标灯显示),驱动电机动作,带动闸板作逆时针转动到位,闸板关闭到位(指示灯显示),夹紧电机动作,带动丝杆作顺时针转动,阀体夹紧到位(指示灯显示)完成阀门由开启到关闭的全过程。
 2、阀门由关闭到开启:
 夹紧电机动作,带动丝杆作逆时针转动,阀体松开到位(指标灯显示),驱动电机动作,带动闸板作顺时针转动,闸板开启到位,(指示灯显示)完成阀门由关闭到开启的全过程。


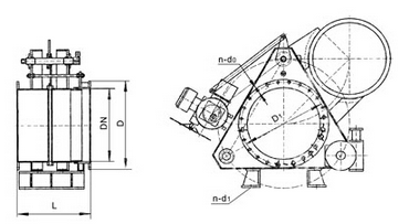
三、F943X电动分体式盲板阀主要外形尺寸


DN

D

D1

b

n-φd

L

300

440

395

22

12-φ22

580

350

490

445

24

12-φ22

580

400

540

495

24

16-φ22

680

450

595

550

24

16-φ22

680

500

645

600

24

16-φ22

680

600

755

705

26

20-φ26

680

700

860

810

26

24-φ26

680

800

975

920

26

24-φ30

680

900

1075

1020

26

24-φ30

710

1000

1175

1120

26

28-φ30

710

1100

1275

1220

26

28-φ30

710

1200

1375

1320

26

32-φ30

730

1300

1475

1420

26

32-φ30

830

1400

1575

1520

26

36-φ30

830

1500

1675

1620

26

36-φ30

830

1600

1790

1730

26

40-φ30

830



温馨提示:

本文中所有文字、数据、图片均只适用于参考。需要查看更多的F943X电动分体式盲板阀性能参数、结构尺寸参数、价格等详情,或要求高质量印刷样本,请联系我们

下一个产品:电动链条式盲板阀
上一个产品:电动盲板阀
021-57278881
qrCode