TYFZ调压阀组主要零件材料
| 零件名称 | 阀体 | 阀板 | 阀杆 | 连接筒 | 大小法兰 | 密封垫 |
| 材料 | 碳素钢 | 碳素钢 | 合金钢 | 碳素钢 | 碳素钢 | 石棉橡胶 |
TYFZ调压阀组技术性能
| 阀组型号 | 介质温度℃ | 介质压力MPa | 介质流量m3/h | 阀门转角 | 备注 |
| TYFZ-10 | ≤350 | -0.05 | -30000 | 0-90° | - |
| TYFZ-30 | " | -0.07 | 48000-58000 | 0-90° | - |
| TYFZ-38 | " | -0.07 | 68000-85000 | 0-90° | - |
| TYFZ-65 | " | -0.1 | 111000-130000 | 0-90° | - |
| TYFZ-75 | " | -0.15 | 137000-157000 | 0-90° | - |
| TYFZ-90 | " | -0.2 | 170000 | 0-90° | - |
| TYFZ-100 | " | -0.2 | 187000 | 0-90° | - |
| TYFZ-125 | " | -0.25 | 205000 | 0-90° | - |
| TYFZ-135 | " | -0.25 | 250500 | 0-90° | - |
TYFZ调压阀组配用电动装置性能参数
| DN | 电动执行机构 | 电源电压力、输入信号电流 | 单程(90°) 启闭时间 | |
| 型号 | 输出力矩 | |||
| 250 | DKJ-210 或DKJ-210Q | 100N.m | DDZ- II 型0-10mA DDZ III 型4-20mA 220V.AC | 25 |
| 300 | 25 | |||
| 350 | DKJ-310或DKJ-310Q | 250N.m | ||
| 400 | 25 | |||
| 450 | ||||
| 600 | DKJ-410或DKJ-410Q | 600N.m | 25 | |
| 700 | ||||
| 800 | DKJ-510或DKJ-510Q | 1600N.m | ||
| 900 | 25 | |||
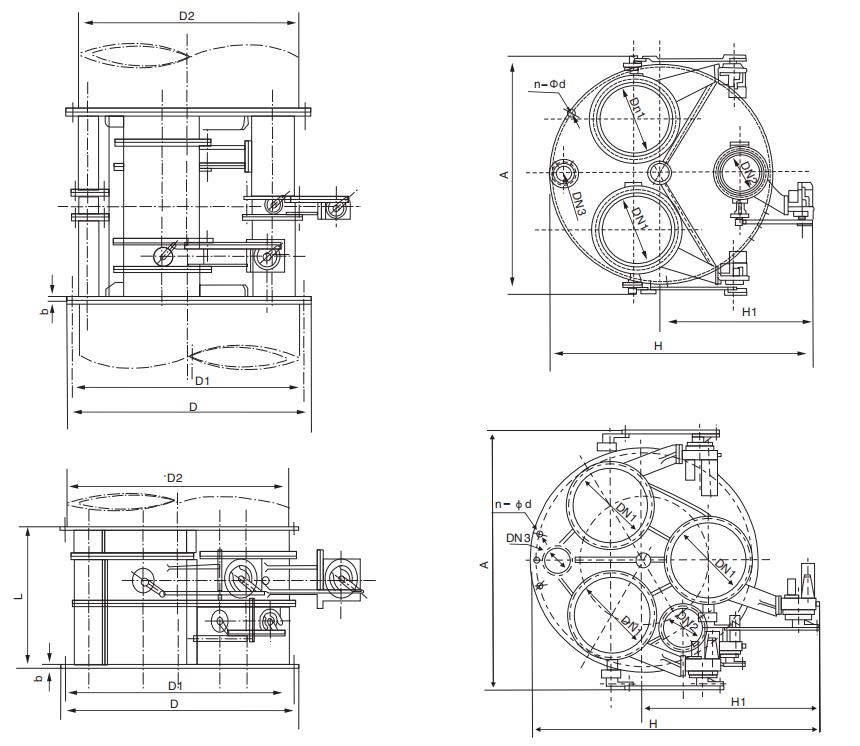
TYFZ调压阀组主要外形及连接尺寸表

| 型号 | D | D1 | L | b | n-Φd | A | A1 | Η | H1 | 阀门配制 | 许用流量(m3/h) | 重量(kg) | 对应 管道 |
| TYFZ-25 | 1990 | 1930 | 1000 | 30 | 44-Φ30 | 3600 | 1800 | 2150 | 1150 | 600x2+300x1+150 | 55000-65000 | 2800 | 1200 |
| TYFZ-30 | 1990 | 1930 | 1000 | 30 | 44-Φ30 | 3600 | 1800 | 2150 | 1150 | 700x2+300x1-150 | 65000-77000 | 3200 | 1300 |
| TYFZ-40 | 1990 | 1930 | 1000 | 30 | 44-Φ30 | 3600 | 1800 | 2250 | 1250 | 700 χ 1+800 χ 1+350 χ+150 | 77000-91000 | 3400 | 1400 |
| TYFZ-50 | 2190 | 2130 | 1200 | 30 | 48-Φ30 | 3800 | 1900 | 2600 | 1500 | 800x2+400x1+200 | 91000-105000 | 3700 | 1500 |
| TYFZ-60 | 2305 | 2240 | 1200 | 30 | 48-Φ30 | 4000 | 2000 | 2800 | 1600 | 800 χ 1 +900 χ 1 +400 χ 1 +200 | 105000-120000 | 4900 | 1600 |
| TYFZ-65 | 2190 | 2130 | 1200 | 30 | 48-Φ30 | 4000 | 2000 | 2800 | 1600 | 700x3+350x1+200 | 111000-130000 | 5000 | 1700 |
| TYFZ-75 | 2305 | 2240 | 1200 | 30 | 48-Φ33 | 4000 | 2000 | 2800 | 1600 | 900x2+500x1+200 | 120000-150000 | 5300 | 1800 |
| TYFZ-90 | 2405 | 2340 | 1200 | 30 | 52-Φ 33 | 4000 | 2000 | 2550 | 1350 | 800x3+400x1+250 | 137000-170000 | 6700 | 1900 |
| TYFZ-100 | 2605 | 2540 | 1200 | 30 | 56-Φ33 | 4200 | 2100 | 3000 | 1700 | 1000x2+500x1+200 | 150000-190000 | 7000 |
2000 |
温馨提示:
本文中所有文字、数据、图片均只适用于参考。需要查看更多的TYFZ调压阀组性能参数、结构尺寸参数、价格等详情,或要求高质量印刷样本,请联系我们。