Q41F高温球阀
产品概况
产品型号:Q41F
公称通径:DN15~200mm
压力范围:PN1.6~2.5MPa
工作温度:-29℃~+300℃
主体材质:铸钢、304、304L、316、316L
驱动方式:手动、电动、气动
设计标准:ASME B16.34 GB/T12224
结构长度:ASME B16.10 GB/T12221
连接法兰:ASME B16.34 JB/T79
试验和检验:JB/T9092 API 598
一、Q41F 高温球阀特点
1、结构简单、体积小、重量轻,
2、紧密可靠。它有两个密封面,而且球阀的密封面材料广泛使用各种塑料,密封性好,能实现完全密封。在真空系统中也已广泛使用。
3、操作方便,开闭迅速,从全开到全关只要旋转90°,便于远距离的控制。
4、维修方便,球阀结构简单,密封圈一般都是活动的,拆卸更换都比较方便。
5、在全开或全闭时,球体和阀座的密封面与介质隔离,介质通过时,不会引起阀门密封面的侵蚀。
6、由于球阀在启闭过程中有擦拭性,所以可用于带悬浮固体颗粒的介质中。
7、流体阻力小,全通径的球阀基本没有流阻。
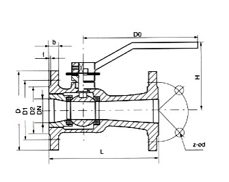
二、Q41F 高温球阀尺寸

|
型号 |
公称通径 |
尺寸mm |
|||||||
|
L |
D |
D1 |
D2 |
b-d |
Z-Φd |
H |
D0 |
||
|
Q41F-16P |
15 |
115 |
95 |
65 |
45 |
14-2 |
4-14 |
105 |
150 |
|
20 |
130 |
105 |
75 |
55 |
16-2 |
4-14 |
110 |
150 |
|
|
25 |
140 |
115 |
85 |
65 |
16-2 |
4-14 |
120 |
160 |
|
|
32 |
165 |
135 |
100 |
78 |
16-2 |
4-18 |
145 |
160 |
|
|
40 |
180 |
145 |
110 |
85 |
16-3 |
4-18 |
155 |
250 |
|
|
50 |
200 |
160 |
125 |
100 |
18-3 |
4-18 |
175 |
300 |
|
|
65 |
220 |
180 |
145 |
120 |
18-3 |
4-18 |
195 |
300 |
|
|
80 |
250 |
195 |
160 |
135 |
20-3 |
8-18 |
225 |
320 |
|
|
100 |
280 |
215 |
180 |
155 |
20-3 |
8-18 |
255 |
320 |
|
|
125 |
320 |
245 |
210 |
185 |
20-3 |
8-18 |
285 |
400 |
|
|
150 |
360 |
280 |
240 |
210 |
24-3 |
8-23 |
295 |
400 |
|
|
200 |
400 |
335 |
295 |
265 |
30-3 |
12-23 |
330 |
450 |
|
温馨提示:
本文中所有文字、数据、图片均只适用于参考。需要查看更多的Q41F高温球阀性能参数、结构尺寸参数、价格等详情,或要求高质量印刷样本,请联系我们。