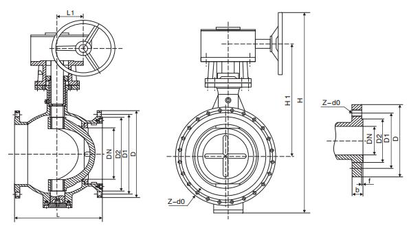
DYQ340F/H/Y上装偏心半球阀
产品概况
产品型号:DYQ340F/H/Y型、DYQ940F/H/Y
公称通径:DN50~2400mm
公称压力:PN1.0~1.6MPa
主要材质:球墨铸铁QT450/碳钢WCB/不锈钢CF8
适用介质:水、天然气、煤气、液化气、原油、重油
适用温度:≤425℃
法兰连接尺寸:GB/T 9113.1-2000.ASME/ANSI 16.5
结构长度:GB 12221-2005,ASNE B16.10
制造和验收:GB12237-89,API 6D
压力试验按JB/T9092-1999,GB/T13927-92,AP1598
DYQ340F/H/Y上装偏心半球阀产品简介:
百钢阀门集团生产销售的DYQ340F,DYQ340H,DYQ340Y上装偏心半球阀适用于污水处理、纸浆、氧化铝、城市采暖供热、油品、天然气、液态固态两相混或容易化学结晶的介质等要求严禁的场合。可代替:通用阀、油化工专用阀、燃气专用阀、料浆专用阀、煤粉灰渣专用阀等。
上装偏心半球阀采用偏心结构原理,通过传动机构达到闸紧、调节、关闭的目的。双偏心结构球阀在开启时球体藏于阀腔内,流通载面大,关闭时阀芯球面沿阀座渐进,具有剪切功能,有效地切除结垢障碍,实现可靠密封。
DYQ340F/H/Y上装偏心半球阀工作原理:
本系列球阀是传统球阀富有灵性变化的结晶,它是将金属球冠固定在偏心球体上,通过偏心曲轴的90度旋转,实现阀门的启闭,与金属球冠密封面接触的金属阀座在轴向和径向浮动,以补偿球冠与阀座的配闸阀。简单可靠的结构及有效的密封方式使它不但可以具有优势地替代闸阀,而且可适用于不可使用的系统中。可以推广应用于石油、化工、电力和冶金等行业,它设计合理、结构新颖。其结构采用偏心契紧原理通过传动机构达到闸紧、调节、关闭的目的,密封副是金属面环带硬面接触密封,双偏心结构在开启时阀芯位于藏球室内,流通截面大,且阀门不被冲刷,关闭时阀芯不被冲刷,开启时阀芯球面沿阀座渐进,有效地切除结垢障碍,实现可靠密封。它对两相混流易结垢固体析出的混流输送特别有效。
DYQ340F/H/Y上装偏心半球阀产品特点:
1、密封严密、输送有害气体可达零泄露。
2、阀门的半球用双金属,母材上堆焊不同的合金,阀座也作相应堆焊经特殊的处理,密封面组合成防腐、耐磨、高强度等各种类型,满足不同场合需求。
3、密封副的阀芯留有补偿量、当阀做磨损后,关闭时再转动少许,任能可靠密封,延长了使用寿命。此外,用户将压紧螺母拧掉,调整或更换后阀座仍可用,避免了阀门密封失效后,整台报废的弊端。
4、其结构采用偏心契紧原理通过传动机构达到闸紧、调节、关闭的目的,密封副是金属面环带硬面接触密封,双偏心结构在开启时阀芯位于藏球室内,流通截面大,且阀门不被冲刷,关闭时阀芯不被冲刷,开启时阀芯球面沿阀座渐进,有效地切除结垢障碍,实现可靠密封。它对两相混流易结垢固体析出的混流输送特别有效。
DYQ340F/H/Y上装偏心半球阀主要性能规范:
|
公称压力 |
0.6 |
1.0 |
1.6 |
2.0 |
2.5 |
4.0 |
5.0 |
6.4 |
10 |
|
|
壳体试验压力 |
0.9 |
1.5 |
2.4 |
3.0 |
3.8 |
6.0 |
7.5 |
9.6 |
15 |
|
|
高压密封试验 |
0.66 |
1.1 |
1.8 |
2.2 |
2.8 |
4.4 |
5.5 |
7.1 |
11 |
|
|
适用介质及温度℃ |
DYQ40型 |
水、蒸汽、纸浆等溶液t≤180℃ |
||||||||
|
DYQ40型 |
天然气、煤气、液化气、原油、重油 t ≤425℃ |
|||||||||
|
DYQ40型 |
溶液、矿浆、氧化铝粉、煤粉、煤灰、含尘气体、废渣等 t ≤300℃ |
|||||||||
DYQ340F/H/Y上装偏心半球阀主要零件材质及代号
|
零件名称 |
DYQ40型 |
DYQ40型 |
DYQ40型 |
|
阀体 |
碳钢WCB/不锈钢CF8 |
碳钢WCB/不锈钢CF8 |
碳钢WCB/不锈钢CF8 |
|
阀杆 |
2Cr13/304 |
2Cr13/304 |
2Cr13/304 |
|
阀芯密封副 |
WCB/CF8+Cr |
WCB/CF8+硬化合金钢 |
特种硬化合金钢质 |
|
阀座密封副 |
PTFE/Molon |
WCB/CF8+硬化合金钢 |
特种硬化合金钢质 |
|
公称压力 |
公称通径 |
尺寸(mm) |
|||||||
|
L |
D |
K |
d |
b |
z-d0 |
Hw |
Hd |
||
|
1.0MPa |
100 |
229 |
220 |
180 |
156 |
22 |
8-φ18 |
330 |
380 |
|
125 |
254 |
210 |
210 |
184 |
22 |
8-φ18 |
345 |
405 |
|
|
150 |
267 |
240 |
240 |
211 |
24 |
8-φ22 |
370 |
440 |
|
|
200 |
292 |
295 |
295 |
266 |
24 |
8-φ22 |
405 |
470 |
|
|
250 |
330 |
350 |
350 |
319 |
26 |
12-φ22 |
480 |
540 |
|
|
300 |
403 |
400 |
400 |
370 |
26 |
12-φ22 |
520 |
580 |
|
|
350 |
430 |
460 |
460 |
429 |
26 |
16-φ22 |
570 |
630 |
|
|
400 |
530 |
515 |
515 |
480 |
26 |
16-φ26 |
630 |
710 |
|
|
450 |
580 |
565 |
565 |
530 |
28 |
20-φ26 |
690 |
770 |
|
|
500 |
660 |
620 |
620 |
582 |
28 |
20-φ26 |
740 |
820 |
|
|
600 |
840 |
725 |
725 |
682 |
34 |
20-φ30 |
840 |
940 |
|
|
700 |
900 |
840 |
840 |
794 |
34 |
24-φ30 |
960 |
1040 |
|
|
800 |
1000 |
950 |
950 |
901 |
36 |
24-φ33 |
1080 |
1180 |
|
|
900 |
1100 |
1050 |
1050 |
1001 |
38 |
28-φ33 |
1190 |
1280 |
|
|
1000 |
1200 |
1160 |
1160 |
1112 |
38 |
28-φ36 |
1310 |
1420 |
|
|
1200 |
1300 |
1380 |
1380 |
1328 |
44 |
32-φ39 |
1420 |
1530 |
|
|
1400 |
1500 |
1590 |
1590 |
1530 |
48 |
36-φ42 |
1540 |
1650 |
|
|
1.6MPa |
100 |
229 |
180 |
180 |
156 |
22 |
8-φ18 |
330 |
380 |
|
125 |
254 |
210 |
210 |
184 |
22 |
8-φ18 |
345 |
405 |
|
|
150 |
267 |
240 |
240 |
211 |
24 |
8-φ22 |
370 |
440 |
|
|
200 |
292 |
295 |
295 |
266 |
24 |
12-φ22 |
405 |
470 |
|
|
250 |
330 |
355 |
355 |
319 |
26 |
12-φ26 |
480 |
540 |
|
|
300 |
403 |
410 |
410 |
370 |
28 |
12-φ26 |
520 |
580 |
|
|
350 |
430 |
470 |
470 |
429 |
30 |
16-φ26 |
570 |
630 |
|
|
400 |
530 |
525 |
525 |
480 |
32 |
16-φ30 |
630 |
710 |
|
|
450 |
580 |
650 |
585 |
548 |
40 |
20-φ30 |
690 |
770 |
|
|
500 |
660 |
770 |
650 |
609 |
44 |
20-φ33 |
740 |
820 |
|
|
600 |
840 |
840 |
770 |
720 |
54 |
20-φ36 |
840 |
940 |
|
|
700 |
900 |
950 |
840 |
794 |
40 |
24-φ36 |
960 |
1040 |
|
|
800 |
1000 |
1050 |
950 |
901 |
42 |
24-φ39 |
1080 |
1180 |
|
|
900 |
1100 |
1125 |
1050 |
1001 |
44 |
28-φ39 |
1190 |
1280 |
|
|
1000 |
1200 |
1255 |
1170 |
1112 |
46 |
28-φ42 |
1310 |
1420 |
|
|
1200 |
1300 |
1485 |
1390 |
1328 |
52 |
32-φ48 |
1420 |
1530 |
|
|
1400 |
1500 |
1590 |
1590 |
1530 |
58 |
36-φ48 |
1540 |
1650 |
|
温馨提示:
本文中所有文字、数据、图片均只适用于参考。需要查看更多的DYQ340F/H/Y上装偏心半球阀性能参数、结构尺寸参数、价格等详情,或要求高质量印刷样本,请联系我们。