服务热线:021-57278880
语言:  
您当前位置: 产品中心 水利控制阀 微阻缓闭止回阀

HH44X微阻缓闭止回阀

产品概况

产品型号:HH44X
公称压力:PN1.0~2.5MPa
公称通径:DN40~800mm
适用介质:水、弱腐蚀性液体
适用温度:0~80℃(如需要,可达200℃)
法兰标准:GB/T 17241.6 GB/T 9113
试验标准:GB/T 13927 AP1598

HH44X微阻缓闭止回阀产品详情

HH44X微阻缓闭止回阀产品概述

       百钢阀门集团生产销售的HH44X微阻缓闭止回阀用于给排水管道,安装在水泵出口处用来防止介质逆流和消除破坏性水锤,并且有效地减少阀门关闭水锤压力,可保障管网安全运行。它具有阀瓣轻、开度大、节电效果显著,流体阻力小,水锤消除机构设计新颖,密封性能稳定可靠、耐磨损、使用寿命长、运行平稳、无振动、无噪声等特点。


HH44X微阻缓闭止回阀主要零部件材料 

零件名称

阀体、阀盖

阀瓣

阀轴

材料

灰铸铁、铸钢

钢板、橡胶组合件

不锈钢


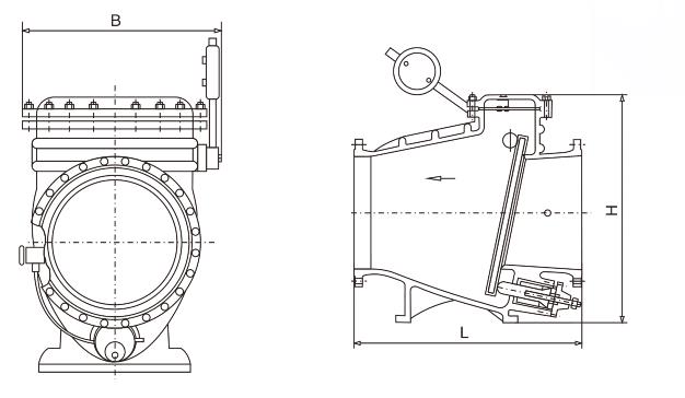
HH44X微阻缓闭止回阀主要外形连接尺寸

DN(mm)

40

50

65

80

100

125

150

200

250

300

350

400

450

500

600

700

800

H

200

230

290

310

350

400

480

500

600

700

800

900

1000

1100

1300

1400

1500

L

300

300

320

354

350

380

500

580

670

730

820

920

950

1100

1200

1550

1700

B

220

270

290

300

320

340

410

450

550

580

630

700

800

900

990

1120

1300



温馨提示:

本文中所有文字、数据、图片均只适用于参考。需要查看更多的HH44X微阻缓闭止回阀性能参数、结构尺寸参数、价格等详情,或要求高质量印刷样本,请联系我们

下一个产品:微阻缓闭止回阀
上一个产品:橡胶瓣止回阀
021-57278881
qrCode