H41W/H不锈钢升降式止回阀
产品概况
产品型号:H41W/H
公称通径:DN50~400mm
压力范围:PN10~160MPa
工作温度:-196℃~+560℃
主体材质:碳钢、不锈钢、合金钢
设计制造:GB12236
结构长度:GB12221
连接法兰:JB/T79-1994
试验与检验:JB/T9092-1999
H41W/H不锈钢升降式止回阀产品概述
百钢阀门集团生产销售的H41W/H不锈钢升降式止回阀适用于中、小口径管路的各种压力、温度和介质下控制接通或截断管路介质的启闭装置;依靠阀瓣自重和流体压差实现自动阻止流体倒流。
H41W/H不锈钢升降式止回阀产品特点
1、当介质由阀体箭头所示流向进入阀体,介质的压力作用在阀瓣上产生向上的推力,当介质推力大于阀瓣重力时,阀门打开。当阀后介质压力作用在阀瓣上的力加上阀瓣自身重力大于阀前压力作用在阀瓣上的力时,阀门关闭,阻止介质倒流。
2、升降式止回阀具有结构简单,动作可靠,维修方便等优点,广泛应用于净化设备、石油、化工、冶金、电力、轻纺等生产过程中。
H41W/H不锈钢升降式止回阀性能规范
| 阀体材料 |
公称压力 (MPa) |
工作温度 (℃) |
适用介质 | |
| 碳 钢 | 1.6-6.4 | ≤425 | 水、油品、蒸汽 | |
| 10.0、16.0 | ≤450 | / | ||
| 不锈钢 | P | 1.6-16.0 | ≤200 | 硝酸类 |
| R | / | / | 醋酸类 | |
|
铬镍钛 耐热钢 |
PI | 1.6-6.4 | ≤550 | 石油、石油产品 |
| 铬钼钢 | 1.6-16.0 | ≤550 | 油 | |
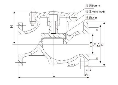
H41W/H不锈钢升降式止回阀主要外形尺寸

|
公称压力 PN |
公称通径 DN |
主要连接尺寸 |
外形 尺寸 |
||||||||
| L | D | D 1 | D 2 | D 6 | b | f | f 1 | Z-φd | H | ||
| 1.6MPa | 40 | 200 | 145 | 110 | 85 | - | 16 | 2 | - | 4-18 | 95 |
| 50 | 230 | 160 | 125 | 100 | - | 16 | 2 | - | 4-18 | 105 | |
| 65 | 290 | 180 | 140 | 120 | - | 18 | 2 | - | 4-18 | 120 | |
| 80 | 310 | 195 | 165 | 135 | - | 20 | 3 | - | 8-18 | 130 | |
| 100 | 350 | 215 | 180 | 155 | - | 20 | 3 | - | 8-18 | 140 | |
| 125 | 400 | 245 | 210 | 185 | - | 22 | 3 | - | 8-12 | 155 | |
| 150 | 480 | 280 | 240 | 210 | - | 24 | 3 | - | 8-23 | 180 | |
| 200 | 600 | 335 | 295 | 265 | - | 26 | 3 | - | 12-23 | 215 | |
温馨提示:
本文中所有文字、数据、图片均只适用于参考。需要查看更多的H41W/H不锈钢升降式止回阀性能参数、结构尺寸参数、价格等详情,或要求高质量印刷样本,请联系我们。