服务热线:021-57278880
语言:  
您当前位置: 产品中心 陶瓷阀门 陶瓷偏心半球阀

BPQ340TC陶瓷偏心半球阀

产品概况

产品型号:BPQ340TC
公称通径:DN50~300mm
公称压力:PN1.6MPa
连接方式:法兰
适用介质:钢铁业,洗选矿、电站、除灰等行业,矿料浆液,灰渣浆液等介质
适用温度:-29℃~121℃
阀门制造:GB/T 12224
法兰标准:GB/T9113
阀门试验:GB/T 9092

BPQ340TC陶瓷偏心半球阀产品详情

BPQ340TC陶瓷偏心半球阀产品简介:

       百钢阀门集团生产销售的BPQ340TC陶瓷偏心半球阀利用偏心阀体、偏心球体、阀座,阀杆作旋转运动时在共同轨迹自动定心,关闭过程中越关越紧,完全达到良好的密封目的。阀门的球体和阀座完全脱离,消除了密封圈的磨损,克服了传统球体阀座与球体密封面始终磨损的问题,非金属弹性材料被嵌入金属座中,阀座金属面受到良好的保护。特别适用于钢铁业,洗选矿、电站、除灰等行业,矿料浆液,灰渣浆液等介质。

        阀门的阀座和半球体的密封面均采用工程陶瓷、硬度高、耐冲蚀、寿命长。适用于含有粉状颗粒的固液混合介质,作启闭用;半球体为固定球式,刚性好。形状为V形半球,体积小,重量轻; 阀座密封面与半球密封面间距具有可调性,故阀门在使用一定时间后,密封面间距可再进行调整,延长阀门寿命;阀门在全开时,阀体通道完全畅通,介质流阻小。


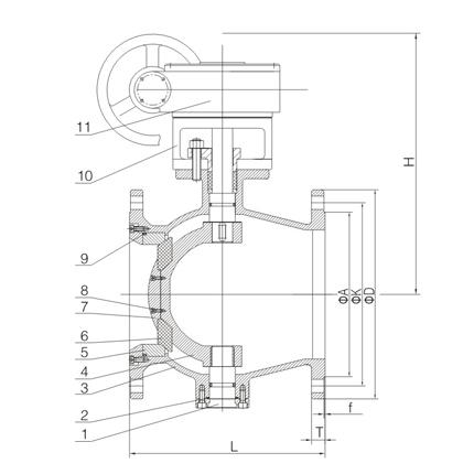
BPQ340TC陶瓷偏心半球阀主要零部件材料:

 序号

 名称

 材料

 序号

 名称

 材料

 1

阀盖

WCB

 7

 压圈

WCB

 2

垫片

氟橡胶

 8

 螺栓

20#

 3

 阀体

WCB

 9

密封垫片

氟橡胶

 4

 半球体

 WCB

 10

支架

WCB

 5

 阀座

 结构陶瓷

 11

 驱动装置

 成品件

 6

密封圈

 结构陶瓷

 12




BPQ340TC陶瓷偏心半球阀应用规范:

设计与制造

GB/T 12224

 连接端尺寸

 结构长度

GB12221

法兰尺寸

GB/T9113

检验与试验

GB/T 9092

 材料

碳钢

GB/T 12229

不锈钢

GB/T 12230

标志

GB/T 12220

 供货

GB/T 12252


BPQ340TC陶瓷偏心半球阀主要外形和连接尺寸:

 PN(Mpa)

 DN (mm)

 H

 L

 D

 D1

 D2

 n-d

 C

 F

1.6

 50

230

 124

165

125

 100

 4-Φ18

16

3

 65

237

 145

185

 145

 120

4-Φ18

18

3

 80

 260

165

200

160

 135

8-Φ18

 20

 3

 100

 270

 194

220

 180

156

8-Φ18

20

3

 125

 320

 210

 250

 210

185

 8-Φ22

 22

 3

150

340

 229

 285

240

 211

8-Φ22

 26

 3

 200

 390

 243

 340

295

 265

 8-Φ23

26

 3

 250

 420

297

 405

355

319

 8-Φ26

 30

 3

 300

 510

338

 460

 410

 375

8-Φ26

 30

 4



温馨提示:

本文中所有文字、数据、图片均只适用于参考。需要查看更多的BPQ340TC陶瓷偏心半球阀性能参数、结构尺寸参数、价格等详情,或要求高质量印刷样本,请联系我们

下一个产品:蜗轮陶瓷球阀
上一个产品:陶瓷蝶阀
021-57278881
qrCode