J41Y国标锻钢法兰截止阀
产品概况
产品型号:J41Y
公称通径:DN15~50mm
压力范围:PN1.6~10.0MPa
工作温度:-29℃~550℃
主体材质:碳钢、不锈钢、合金钢
适用介质:水、蒸汽、油品、硝酸、醋酸等
应用范围:适用于自来水、食品、制药、电力、石油、液化气、蒸汽、 等介质的管路上
J41Y国标锻钢法兰截止阀产品概述:
百钢阀门集团生产销售的J41Y国标锻钢法兰截止阀整体法兰阀门有三种阀盖设计,第一种是螺栓型阀盖,通过凹凸面连接,采用不锈钢带与柔性石墨缠绕垫片,按需求也可采用环连接,第二种是焊接型阀盖,通过螺纹密封后焊接,按需求也可直接采用刚性焊接,第三种是自密封阀盖,通过螺纹与自密封阀盖连接。产品广泛应用于石油、化工、制药、电力行业等各种工况的管路上。
J41Y国标锻钢法兰截止阀特点及优点:
●该产品严格按API602、BS 5352标准设计制造,阀瓣沿着中心定位作升降运动,(衬套采用耐磨性能好,摩擦系数小的特殊材料制作),动作灵活可靠,密封性能优良。产品广泛应用于石油、化工、制药、电力行业等各种工况的管路上。
●手轮采用可锻铸铁锻造,造型配合手握,适当增加摩擦力,方便开启。并示有明显的"开"、"关"标记。较大口径、较高压力的可选用撞击式手轮。
●阀杆螺母采用高镍球铁, "T"形螺纹与阀杆配合传递力矩。阀盖上填料压盖和压套分体设计,保证阀杆的同心度。合理的填料函确保阀门没有外漏。符合环保要求。
●阀盖设有上密封座。符合美国石油协会API和英国BS标准的要求。
J41Y国标锻钢法兰截止阀设计与制造标准:
●设计与制造:JB/T1751 、GB/T12235
●结构长度:GB/T12235
●法兰尺寸:JB/T79、GB/T9113
●螺纹连接尺寸:GB/T7306
●对焊连接尺寸: GB/T12224
●压力温度:GB/T9131
●检验与试验:JB/T9092、GB/T13927
J41Y国标锻钢法兰截止阀的材料明细表:
|
序号 |
零件名称 |
碳钢系列 |
合金钢系列 |
不锈钢系列 |
|
|
ASTM/ASME |
|||||
|
1 |
阀体/Body |
A105 |
A182F22 |
A182F304(L) |
A182F316(L) |
|
2 |
阀瓣/Disc |
A182/F430 & 410 |
A182/F304 |
A182F/304(L) |
A182/F316(L) |
|
3 |
阀杆/Stem |
A182/F6a |
A182/F304 |
A182/F304(L) |
A182/F316(L) |
|
4 |
密封垫片/Gasket |
304+夹柔性石墨 |
304+夹柔性石墨 |
316+夹柔性石墨/PTFE |
316+夹柔性石墨/PTFE |
|
5 |
阀盖/Bonnet |
A105 |
A182/F304 |
A182/F304(L) |
A182/F316(L) |
|
6 |
螺柱/Stud |
A193/B7 |
A193/B16 |
A193/B8 |
A193/B8M |
|
7 |
销轴/Pin |
A276/420 |
A276/304 |
||
|
8 |
填料压套/Packing Bushing |
A276/410 |
A182/F304(L) |
A182/F316(L) |
|
|
9 |
填料压板/Gland |
A105 |
A182/F11 |
A182/F304(L) |
A182/F316(L) |
|
10 |
活结螺栓/Eyebolt |
A193/B7 |
A193/B16 |
A193/B8 |
A193/B8M |
|
11 |
螺母/Eyebolt Nut |
A194/2H |
A194/4 |
A194/8 |
A194/8M |
|
12 |
阀杆螺母/Stem Nut |
A276/410 |
|||
|
13 |
手轮螺母/ Handwheel Nut |
A194/2H |
A194/4 |
A194/8 |
A194/8M |
|
14 |
铭牌/ nameplate |
SS 304 |
17 |
铭牌/ nameplate |
SS 304 |
|
15 |
手轮/Handwheel |
A197 |
|||
|
16 |
填料/Packing |
柔性石墨 |
|||
|
17 |
铭牌/ nameplate |
SS 304 |
|||
|
适用介质 |
水、蒸汽、油品等 |
水、蒸汽、油品等 |
硝酸、醋酸等 |
||
|
适用温度 |
-29℃~425℃ |
-29℃~550℃ |
-29℃~200℃ |
||
注:客户需求的其他材质也可采用.密封面材料配对客户指定内件代号决定
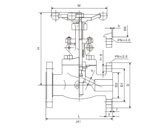
J41Y国标锻钢法兰截止阀尺寸(mm)和重量(kg):
| PN(MPa) | DN(mm) | 15 | 20 | 25 | 32 | 40 | 50 | 65 |
| 1.6 | d(缩径) | 10 | 13 | 19.1 | 24 | 31.8 | 38.1 | 48.5 |
| 2.5 | ||||||||
| 4.0 | ||||||||
| 6.4 | ||||||||
| 10.0 | ||||||||
| 1.6 | L | 130 | 150 | 160 | 190 | 200 | 230 | 290 |
| 2.5 | ||||||||
| 4.0 | ||||||||
| 6.4 | 170 | 190 | 210 | 230 | 260 |
300 |
340 | |
| 10.0 | ||||||||
| 1.6 | H(开启) | 158 | 163 | 193 | 250 | 250 | 291 | 350 |
| 2.5 | ||||||||
| 4.0 | ||||||||
| 6.4 | ||||||||
| 10.0 | ||||||||
| 1.6 | W | 100 | 100 | 125 | 160 | 160 | 180 | 240 |
| 2.5 | ||||||||
| 4.0 | ||||||||
| 6.4 | ||||||||
| 10.0 | ||||||||
| 1.6 | WT(kg) | 3.8 | 4.5 | 5.6 | 6.3 | 9.1 | 13.7 | 24.5 |
| 2.5 | 4.0 | 4.7 | 5.8 | 6.5 | 10.7 | 15.3 | 26.2 | |
| 4.0 | 4.3 | 5.0 | 6.3 | 7.0 | 12.3 | 18.8 | 27.7 | |
| 6.4 | 4.8 | 5.6 | 8.0 | 9.4 | 13.7 | 23.7 | 32.0 | |
| 10.0 | 5.4 | 6.6 | 9.8 |
10.5 |
18.6 | 27.6 | 35.0 |
温馨提示:
本文中所有文字、数据、图片均只适用于参考。需要查看更多的J41Y国标锻钢法兰截止阀性能参数、结构尺寸参数、价格等详情,或要求高质量印刷样本,请联系我们。